EasyManua.ls Logo

SICE S 65 E - Schema Pneumatico

SICE S 65 E
Print Icon
To Next Page IconTo Next Page
To Next Page IconTo Next Page
To Previous Page IconTo Previous Page
To Previous Page IconTo Previous Page
Loading...
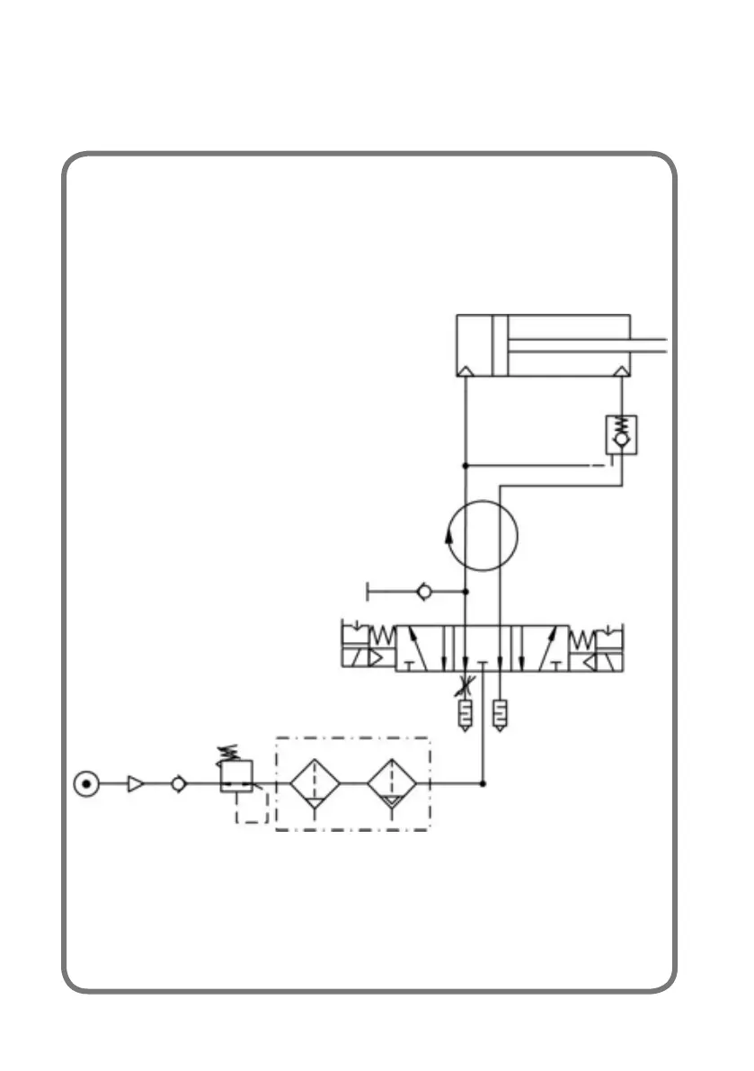
70 Manuale d’uso S 65 E - S 65 E C
SCHEMA PNEUMATICO
Alimentazione Aria: 7÷10 bar (100-145 psi)

Table of Contents