EasyManua.ls Logo

Siemens 3VF Series - Page 32

Siemens 3VF Series
114 pages
To Next Page IconTo Next Page
To Next Page IconTo Next Page
To Previous Page IconTo Previous Page
To Previous Page IconTo Previous Page
Loading...
Communication System Manual 3WN6 Circuit-Breakers
Copyright Siemens AG 1998. All rights reserved. Version1.0 (05/98)
32
PROFIBUS DP Anschaltung 3RK1
DC 24V
0V
Y1 F2
Y1 Speicherabruf-
magnet
(zum Einschalten)
F2 Spannungsauslöser
(zum Ausschalten)
M Motorantrieb
Leistungs-
schalter 3WN6
2 für Bus
2 für DC 24 V-Versorgung des Kommunikationsmoduls bzw. K.moduls mit Meßfunktion
2 für Schalteranwesenheits-Meldeschalter
(bei Einschubrahmen, bei Festeinbau werkseitig gebrückt);
X400.7
(Ein)
6
X400.6 X400.1...4
X400.8
(Aus)
X100.11 X100.13
X100.12 X100.14
X300.14
DC 24 V-
Versorgung
für
Schaltbefehle
Überstromaus-
löser mit
Kommunikations-
bzw. komm.fähigen
Meßmodul
Schalteran-
wesenheits-
Meldeschalter
M
S8
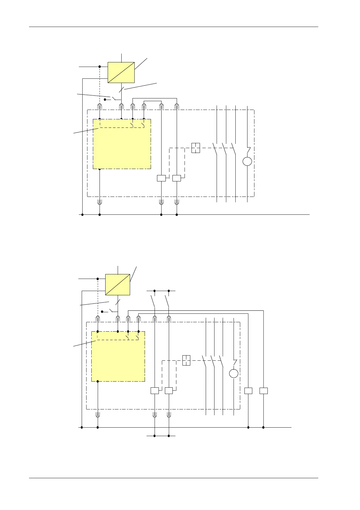
Fig. 5: Conversion of switching commands (ON/OFF) for 24 V DC control voltage
PROFIBUS DP
Anschaltung 3RK1
Überstromaus-
löser mit
Kommunikations-
bzw. komm.fähigen
Meßmodul
DC 24V
0V
AC, DC
K1 K2
K1 K2
N
Y1 F2
Y1 Speicherabruf-
magnet
(zum Einschalten)
F2 Spannungsauslöser
(zum Ausschalten)
M Motorantrieb
K1, Koppelglieder
K2 (3TX7002 - 1AB02)
Leistungs-
schalter 3WN6
6
X400.7
(Ein)
X400.6 X400.1...4 X400.8
(Aus)
X100.13X100.11
X100.12 X100.14
X300.14
DC 24 V-
Versorgung
für
Schaltbefehle
2 für Bus
2 für DC 24 V-
Versorgung der
Kommunikation
2 Schalter-
anwesenheits-
meldeschalter
M
S8
L
Fig. 6: Conversion of switching commands (ON/OFF) for other control voltages
(e.g. 230 V AC)

Table of Contents

Related product manuals