EasyManua.ls Logo

Siemens 4 F-DO DC24V/2A PROFIsafe - Wiring of the PM-D F DC24 V Profisafe; Parameters of the PM-D F DC24 V Profisafe

Siemens 4 F-DO DC24V/2A PROFIsafe
228 pages
To Next Page IconTo Next Page
To Next Page IconTo Next Page
To Previous Page IconTo Previous Page
To Previous Page IconTo Previous Page
Loading...
Fail-Safe Modules
7.4 PM-D F DC24V PROFIsafe Power Module
ET 200S Distributed I/O System - Fail-Safe Modules
100 Installation and Operating Manual, 08/2008, A5E00103686-07
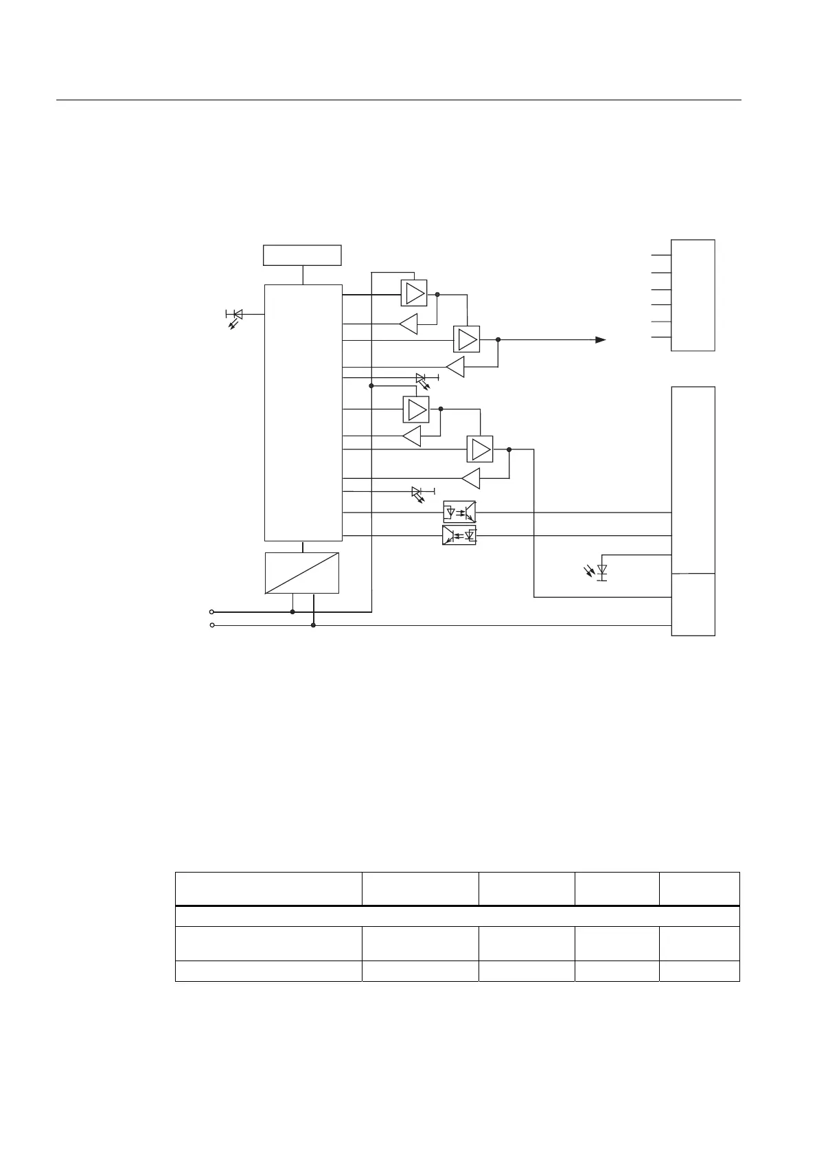
7.4.3 Wiring of the PM-D F DC24V PROFIsafe
Block Diagram
8
6)
6*
6*
6*
6*
6*
6*
6*B
5/
9
9

0

3
0
5/
8
0
5/
3:5
$GGUHVVVZLWFK
3VZLWFK
3URFHVVLQJORJLF
%DFNSODQHEXVLQWHUIDFH
Figure 7-14 Block diagram of the PM-D F DC24V PROFIsafe
7.4.4 Parameters of the PM-D F DC24V PROFIsafe
Parameters in STEP 7
The table below lists the parameters that can be assigned for the PM-D F DC24V
PROFIsafe.
Table 7- 13 Parameters of the PM-D F DC24V PROFIsafe
Parameter Range Default Type of
Parameter
Effective
Range
F-Parameters:
F_destination_address 1 to 1022 Assigned by
STEP 7
Static Module
F monitoring time 10 to 10000 ms 150 ms Static Module

Table of Contents

Related product manuals