EasyManua.ls Logo

Siemens 4 F-DO DC24V/2A PROFIsafe - Wiring of EM 1 F-RO DC24 V;AC24

Siemens 4 F-DO DC24V/2A PROFIsafe
228 pages
To Next Page IconTo Next Page
To Next Page IconTo Next Page
To Previous Page IconTo Previous Page
To Previous Page IconTo Previous Page
Loading...
Fail-Safe Modules
7.8 1 F-RO DC24V/AC24..230V/5A Digital Electronic Module
ET 200S Distributed I/O System - Fail-Safe Modules
Installation and Operating Manual, 08/2008, A5E00103686-07
181
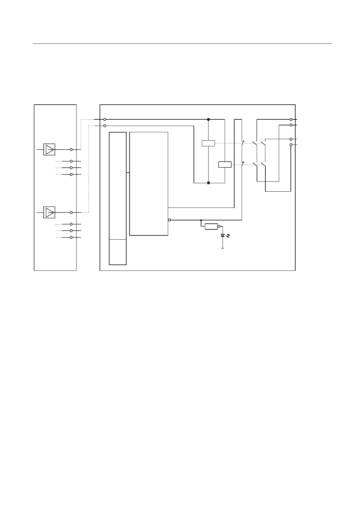
7.8.3 Wiring of EM 1 F-RO DC24V/AC24..230V/5A
Block diagram
3
3

)'2 )52














5HDGEDFN

%DFNSODQHEXV
(76
EDFNSODQH
EXV
LQWHUIDFH
287
287
3VZLWFK
0VZLWFK
6WDWXVRI
UHOD\RXWSXW
Figure 7-56 Block diagram of the EM 1 F-RO DC24V/AC24..230V/5A

Table of Contents

Related product manuals