EasyManua.ls Logo

Siemens 6SE7022-1EC85-1AA0 - Page 43

Siemens 6SE7022-1EC85-1AA0
274 pages
To Next Page IconTo Next Page
To Next Page IconTo Next Page
To Previous Page IconTo Previous Page
To Previous Page IconTo Previous Page
Loading...
09.02 Connection
Siemens AG 6SE7087-6AK85-1AA0
3-21
Rectifier/Regenerating Unit Operating instructions
X4: 1U2 1V2 1W2
1T1 1T2 1T3
X1: U1 V1 W1
L1 L2 L3
M
3AC 50-60Hz, 400V
3AC 50-60Hz, 500V
1AC 50-60Hz, 230V
ϑ
X30-1
X30-2
X20.1-1
X20.1-2
12
12
PE
+24V
X239
A23
C98043-A1681
X1: C/L+
F10
X1: D/L-
E1
R100
J
1U1
1U1
1V1
1V1
1W1
1W1
2U1
2V1
2W1
RS485P
RS485N
M
P5
S1
X100
PMU
X108
X107
X109
X308
X300
A10
C98043-A1680
1
2
3
4
5
RS485
14 15 16 17 18 19 20
X104X102
M
6 7 8 9 10 11 12 13
P24 M M
X101
820k
R135
R136
10nF
M
BI
10nF
A01 BO
S2
M
150Ω
390Ω
390Ω
M
P5
X117
1
2
3
4
5
RS485
M
RS485
TTL
X115
X116
R15
R16
N
P
N
P
A2
C98043-A1690
K1-2
X9-3 X9-4 X9-5
RESET
F1 F2
+5V +15V -15V +24V
L_DSAVE
X9-1 X9-2
RS485
OP1S, DriveMonitor
RS232 DriveMonitor
A10-X101
K1
Load
Filter
(optional)
Power supply
24V-power supply
unit
Option modules
binary selecting inputs
analog outputs
binary selecting outputs
Microprocessor selection:
Open and closed-loop
control of the DC link
voltage
I
act
of the main power switch
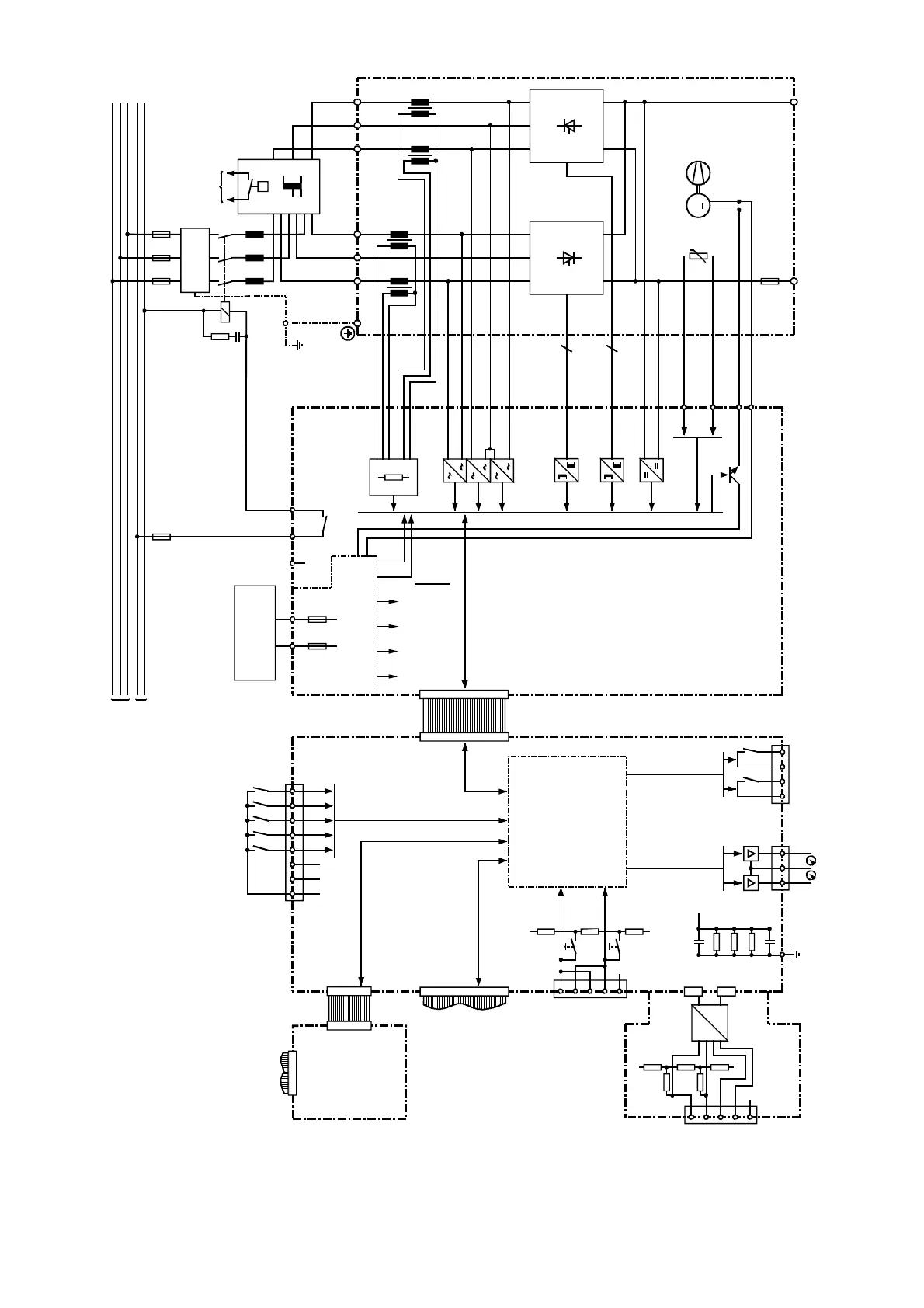
Figure 3.10 Single-line diagram with suggested circuit arrangement with autotransformer, Size C
https://www.aotewell.com
AoteWell Automation Sales Team
Sales@aotewell.com
AoteWell LTD
Buy Siemens PLC HMI Drives at AoteWell.com
https://www.aotewell.com

Table of Contents

Related product manuals