EasyManua.ls Logo

Siemens 6SE7022-1EC85-1AA0 - Page 44

Siemens 6SE7022-1EC85-1AA0
274 pages
To Next Page IconTo Next Page
To Next Page IconTo Next Page
To Previous Page IconTo Previous Page
To Previous Page IconTo Previous Page
Loading...
Connection 09.02
3-22 Siemens AG 6SE7087-6AK85-1AA0
Rectifier/Regenerating Unit Operating instructions
RS485P
RS485N
M
P5
S1
X100
X1: U1 V1 W1
L1 L2 L3
X1: C/L+
F10
X4: 1U2 1V2 1W2
1T1 1T2 1T3
X1: D/L-
E1
X239
PMU
X108
X107
X109
X308
X300
K1-2
X9-3 X9-4 X9-5
ϑ
R100
A10
C98043-A1680
A23
C98043-A1682
1
2
3
4
5
RS485
14 15 16
17 18 19 20
X104X102
M
6 7 8 9 10 11 12 13
P24 M M
X101
820k
R135
R136
10nF
M
X30-1
X30-2
X29.3
X29.2
BI
12
12
10nF
A01 BO
PE
S2
M
150Ω
390Ω
390Ω
RESET
F1 F2
+5V +15V -15V +24V
L_DSAVE
X9-1 X9-2
3AC 50-60Hz, 400V
3AC 50-60Hz, 500V
3AC 50-60Hz, 690V
1AC 50-60Hz, 230V
F3 F4
X19-1 X19-2
M
1~
X29.1
M
P5
X117
1
2
3
4
5
RS485
M
RS485
TTL
X115
X116
R15
R16
N
P
N
P
A2
C98043-A1690
RS485
OP1S, DriveMonitor
RS232
DriveMonitor
K1
Load
Filter
(optional)
Power supply
24V-power supply
unit
Option modules
binary selecting inputs
analog outputs
binary selecting outputs
Microprocessor selection:
Open and closed-loop
control of the DC link
voltage
I
act
of the main power switch
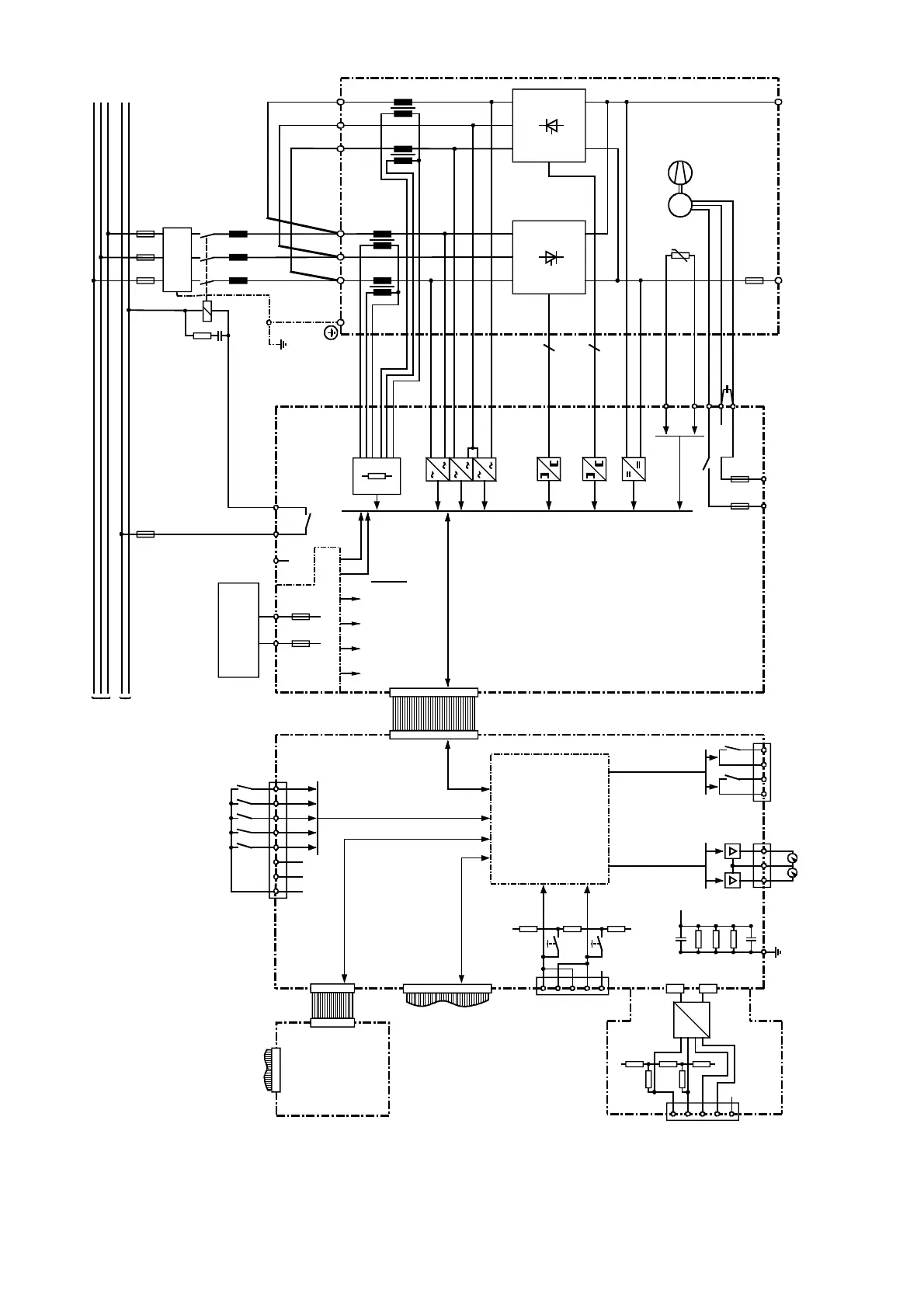
Figure 3.11 Single-line diagram with suggested circuit arrangement without autotransformer, Size E
https://www.aotewell.com
AoteWell Automation Sales Team
Sales@aotewell.com
AoteWell LTD
Buy Siemens PLC HMI Drives at AoteWell.com
https://www.aotewell.com

Table of Contents

Related product manuals