EasyManua.ls Logo

Siemens AC5102 - Bus Termination of the Flns

Siemens AC5102
24 pages
Print Icon
To Next Page IconTo Next Page
To Next Page IconTo Next Page
To Previous Page IconTo Previous Page
To Previous Page IconTo Previous Page
Loading...
8 Hardware Connections
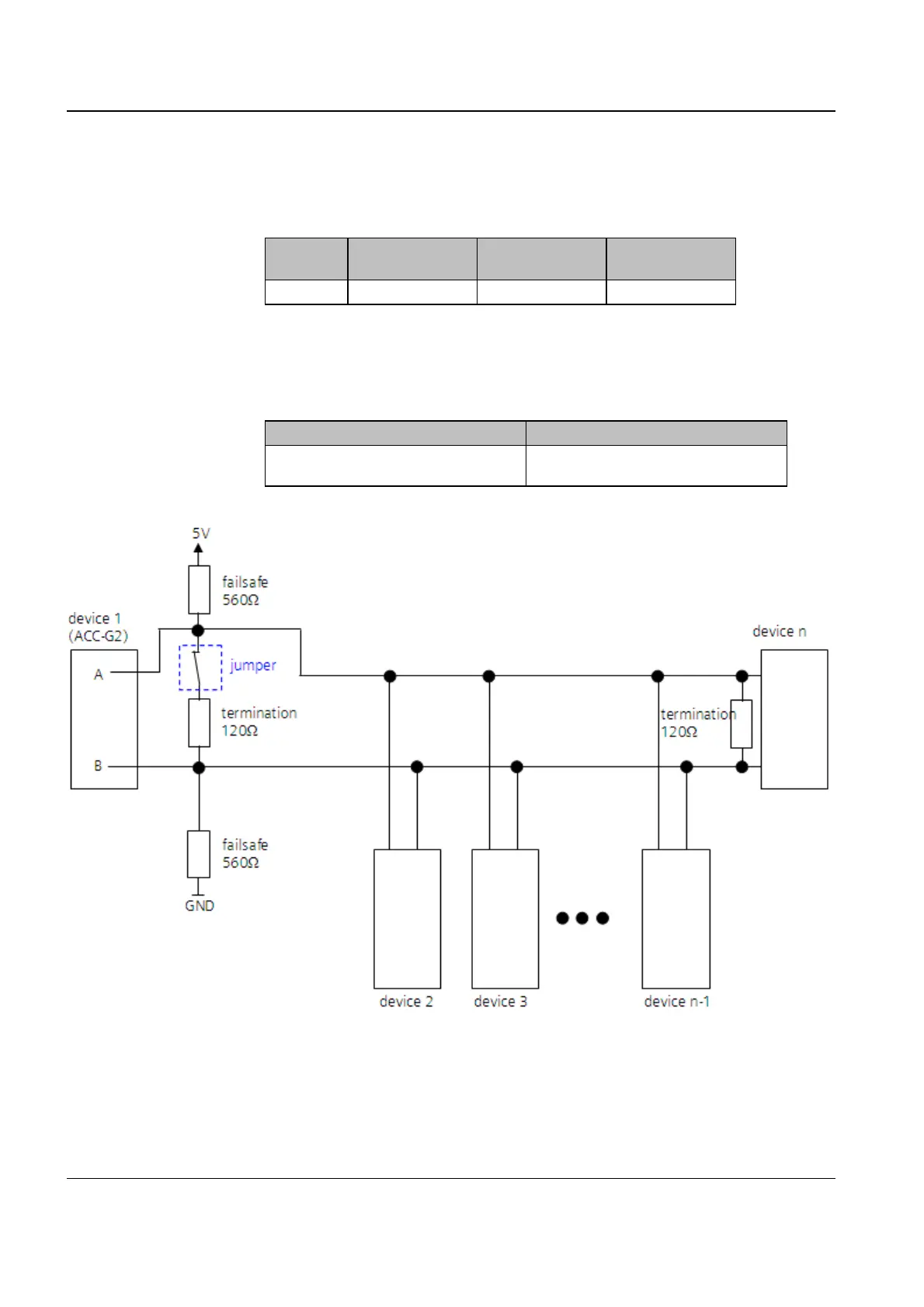
8.2 Bus Termination of the FLNs
The FLNs requires failsafe resistors on one end and a 12 bias resistor on both ends
of the bus.
FLN 1, 4, 5 & 6
For RS485 and RS422 functionality the following jumpers must be closed.
FLN1
FLN4
(Expansion board)
FLN5
(Expansion board)
FLN6
(Expansion board)
X510, X520 X205 X203 X201
FLN 2 & 3
For RS485 and RS422 functionality the following double dip switches must be closed.
FLN2 FLN3
X602, X603
Each dip switch consists of two switches
X600, X601
Each dip switch consists of two switches
FLN 1, 4, 5 & 6 termination
18
Siemens AB 2014-03-12
Security Products