EasyManua.ls Logo

Siemens DF301 - 4-Pipe Fan Coil Unit

Siemens DF301
92 pages
Print Icon
To Next Page IconTo Next Page
To Next Page IconTo Next Page
To Previous Page IconTo Previous Page
To Previous Page IconTo Previous Page
Loading...
41 / 92
Siemens…………………….RDF301, RDF301.50..., RDF600KN, RDF600KN/VB, RDF600KN/S Basic Documentation CE1P3171en
Smart Infrastructure 2020-02-21
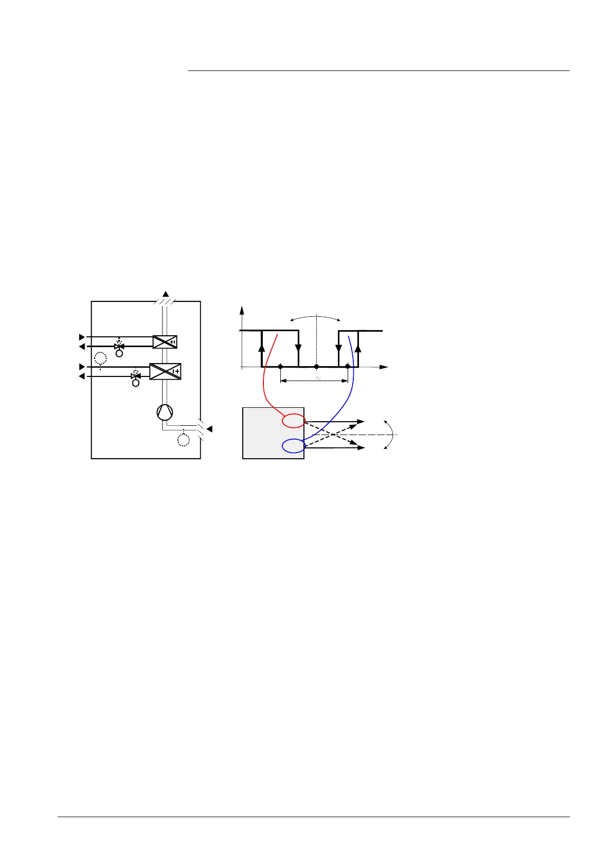
3.6.5 4-pipe fan coil unit
On 4-pipe applications, the thermostat controls 2 valves in heating and cooling
mode, heating / cooling mode by manual selection, or heating and cooling mode
with changeover. Heating and cooling mode (P01 = 4) is factory-set.
The heating or cooling output can be released via operating mode button if
parameter P01 is set to Manual (P01 = 2).
If parameter P01 is set to changeover (P01 = 3), the heating and cooling output is
swapped according to the input state of the changeover sensor / switch / bus input
(see automatic heating and cooling changeover sensor in section 3.5). This mode
is used for the so-called "Main and secondary" application. This is a 4-pipe fan coil
unit system with different capacities of the 2 coils. The water circuit is changed to
optimize the energy exchange depending on the season (summer / winter):
Winter: Large coil (V1) for heating, small coil (V2) for cooling.
Summer: Large coil (V1) for cooling, small coil (V2) for heating.
T
B1
V2
V1
M1
3181D112
T
B2
Y
1
0
w
w
3
1
8
1
D
1
1
7
T[°C]
YC
YH
Changeover
YH
YC
V1
V2
Changeover
Note:
This example shows
ON/OFF control;
for modulating con-
trol, connect the
appropriate output
terminals
· The parameter for the heating and cooling changeover sensor (B2 in the above
diagram) must be set to 2 (X1 or X2, P38 or P40).
· The thermostat assumes winter operation when B2 > P37 (factory setting 28
°C).
· The thermostat assumes summer operation when B2 < P36
(factory setting 16 °C).
Heating and cooling
4-pipe application with
manual changeover
"Main and secondary"
application (4-pipe with
changeover)
Note:

Table of Contents

Related product manuals