EasyManua.ls Logo

Siemens Simovert Masterdrives Compact Plus Series - Page 228

Siemens Simovert Masterdrives Compact Plus Series
Print Icon
To Next Page IconTo Next Page
To Next Page IconTo Next Page
To Previous Page IconTo Previous Page
To Previous Page IconTo Previous Page
Loading...
06.2006 Parameterization
Siemens AG 6SE7087-6KP50
SIMOVERT MASTERDRIVES Operating Instructions 8-29
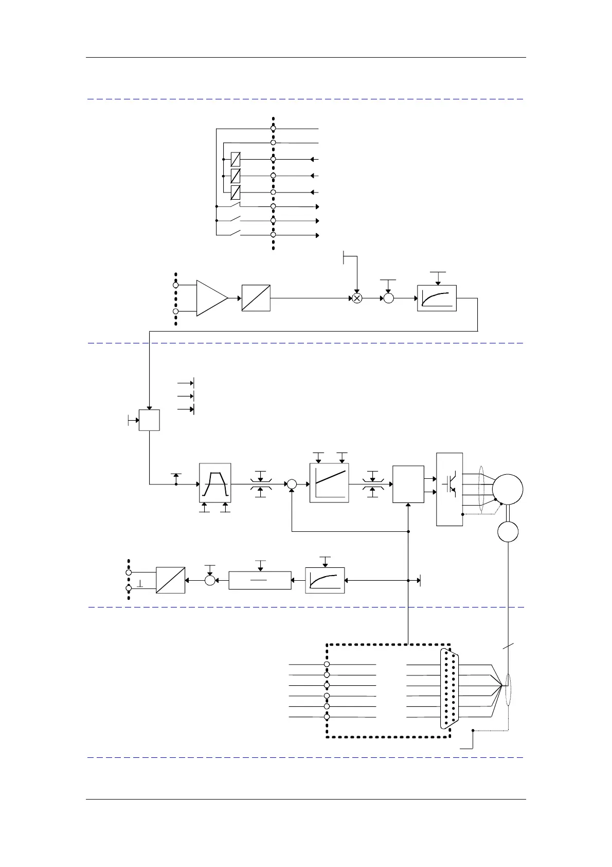
Data of resolver to be connected:
- 2-pole
Disp Speed Conn
r041.1
(= speed
setpoint)
Accel
Time P462.1
Decel
Time P464.1
n(max, FWD speed)
P452.1
n(max, REV speed)
P453.1
n-Reg. Gain1
P235.1
n-Reg. Time
P240.1
FSetp
Torq(Lim1)
P263.1
FSetp
Torq (Lim2)
P264.1
Current
control
Motor
encoder
Motor
3~
AnaOut Smooth
P642.1
AnaOut Scale
P643.1
AnaOut Offset
P644.1
A
D
+/- 10 V
-X101/11
y[V]= P643.1
x
100 %
Analog output
xy
-X101/12
AA
Disp Speed Conn
r041.2
(=speed actual value )
SBR1/2
-X414/3
6
Shield connection
Type of encoder:
Resolver
-X414/4
-X414/6
-X414/7
-X414/9
sin +
sin -
cos+
cos-
Excitation
M
Excitationg
-X414/11
Control type:
Speed
control
r003 Output Volts
r004 Output Amps
r006 DC Bus Volts
Ref-
speed
P353
Norm.
P24
M24
1 = Operation
0 = Fault
1-Edge = Acknowledge
1 = ON 0 = OFF1
-X101/1
1 = Inverter relesae
-X101/2
-X101/3
-X101/4
-X101/6
-X101/7
-X101/8
Setpoint and command source
Terminal strip and
analog input
0 = Alarm
-X101/5
AnaIn Scale
P630
Differential input
-X101/9
AnaIn Offset
P631
AnaIn Smooth
P634
+/- 10 V
A
D
-10 V ... + 10V
corresponds to
-100 % ... +100 %
-X101/10
AI+
AI-
-X410/95
-X410/93
-X410/94
-X410/91
-X410/92
-X410/90 Track A+
Track A-
Track B+
Track B-
Zero pulse +
Zero pulse -
Pulse encoder simulation:
(only for SBR2)
Data of pulse encoder simulation:
- 1024 pulses/revolution

Table of Contents

Related product manuals