EasyManua.ls Logo

Siemens Simovert Masterdrives Compact Plus Series - Page 232

Siemens Simovert Masterdrives Compact Plus Series
Print Icon
To Next Page IconTo Next Page
To Next Page IconTo Next Page
To Previous Page IconTo Previous Page
To Previous Page IconTo Previous Page
Loading...
06.2006 Parameterization
Siemens AG 6SE7087-6KP50
SIMOVERT MASTERDRIVES Operating Instructions 8-33
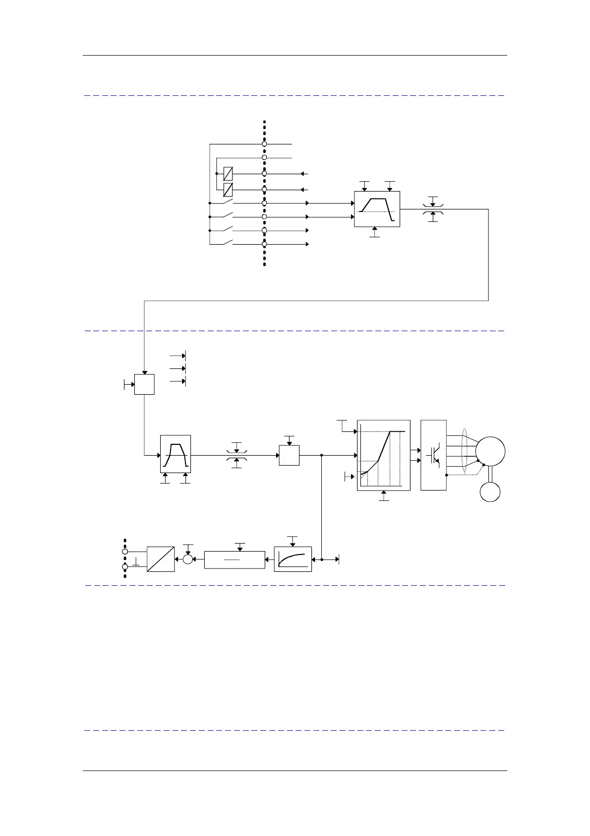
Type of control
V/f control
n(max, FWD speed)
P452.1
n(max, REV speed)
P453.1
Accel Time
P462.1
Decel Time
P464.1
Volts Curve1
P327
Freq Curve1
P326
U
f
Disp Freq Conn
r043.2
(=Frequency actual value)
Ref speed
P353
P24
M24
1 = Operation
0 = Fault
1 = Raise MOP
1-Edge = Acknowledge
1 = ON 0 = OFF1
-X101/1
1 = Lower MOP
MOP Accel Time
P431
MOP Decel Time
P432
Conf MOP
P425
MOP(max)
P421
MOPi(min)
P422
00x0 = ... Without storing after OFF
00x1 = ... Storing after OFF
r003 Output Volts
r004 Output Amps
r006 DC Bus Volts
AnaOut Smooth
P642.1
AnaOut Scale
P643.1
AnaOut Offset
P644.1
A
D
+/- 10 V
-X101/11
y[V]= P643.1
x
100 %
Analog output
x
y
-X101/2
-X101/3
-X101/4
-X101/5
-X101/6
-X101/7
-X101/8
-X101/12
AA
Setpoint and command source
Terminal strip and motorized potentiometer
Type of encoder:
Without encoder
Norm.
Motor
encoder
Motor
3~
.1 .2 .3 .4
.3 .4
.2
.1
Boost
P325
Norm.
Ref Freq
P352

Table of Contents

Related product manuals