EasyManua.ls Logo

Siemens Simovert Masterdrives Compact Plus Series - Page 40

Siemens Simovert Masterdrives Compact Plus Series
Print Icon
To Next Page IconTo Next Page
To Next Page IconTo Next Page
To Previous Page IconTo Previous Page
To Previous Page IconTo Previous Page
Loading...
06.2006 Anschließen
Siemens AG 6SE7087-6KP50
SIMOVERT MASTERDRIVES Betriebsanleitung 7-11
bidirektionale
digitale Ein- und
Ausgänge
X101
5V
24V
In
Out
Out
In
Out/In
In
Out
In
Out
In
Out
In
Out
In
4 bidirektionale Digitalein-/ ausgänge
Ausgänge
Analogeingang
Hilfsstrom-
versorgung
Analogausgang
5V
24V
In
Eingänge
5V
24V
2
1
3
4
5
6
7
8
9
10
11
12
Micro-
controller
D
A
D
A
serielle USS-
Schnittstelle (RS485)
RxD
RS485N
EN_RS485
+5V
RS485P
33
34
35
36
+
24V
-
TxD
P5V
RS485P
RS232 Id
RS485P
BOOT
RS232 TxD
RS485N
EN_RS232
1
externe 24 V
Einspeisung
S1
X103
X100
Schalter für
USS-Busabschluss
digitale Eingänge
123456789
BOOT
RS232 Id
RS232 RxD
RS485N
Slot A
Slot B
Slot C
PE
36 V
P24
Regler
P24
M24
OFF
ON
GND
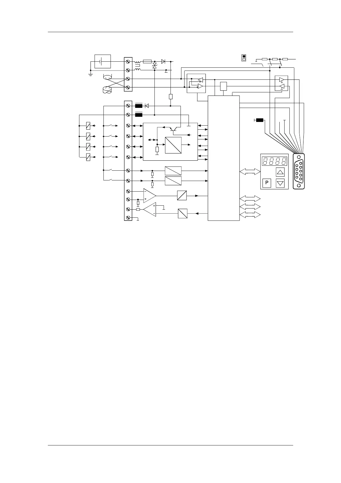
Bild 7-5 Übersicht der Standardanschlüsse

Table of Contents

Related product manuals