EasyManua.ls Logo

Siemens Simovert Masterdrives Compact Plus Series - Page 46

Siemens Simovert Masterdrives Compact Plus Series
Print Icon
To Next Page IconTo Next Page
To Next Page IconTo Next Page
To Previous Page IconTo Previous Page
To Previous Page IconTo Previous Page
Loading...
06.2006 Anschließen
Siemens AG 6SE7087-6KP50
SIMOVERT MASTERDRIVES Betriebsanleitung 7-17
Die Rückmeldekontakte des Sicherheitsrelais erlauben bei der
angegebenen Belastung (30 V DC / 1 A) mindestens 100.000
Schaltspiele. Die mechanische Lebensdauer beträgt ca. 10 Mio
Schaltspiele. Das Sicherheitsrelais ist ein wichtiges Bauteil für
Sicherheit und Verfügbarkeit der Maschine. Daher muss bei einer
Fehlfunktion die Leiterplatte mit dem Sicherheitsrelais ausgetauscht
werden. Das Gerät ist in diesem Fall zur Reparatur einzusenden oder
auszutauschen. Zum Erkennen einer Fehlfunktion sind in regelmäßigen
Abständen Funktionsprüfungen erforderlich. Für den Zeitrahmen sind
die in der berufsgenossenschaftlichen Vorschrift BGV A1 §39, Absatz 3
angegebenen Intervalle maßgebend. Die Funktionsprüfung ist daher je
nach Einsatzbedingungen, mindestens jedoch einmal jährlich und
zusätzlich nach Erstinbetriebnahme sowie nach Änderungen und
Instandsetzungen durchzuführen.
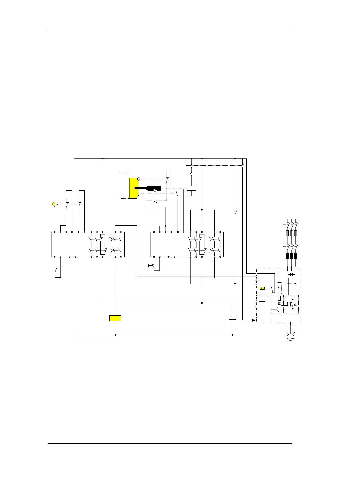
P24
1
2
3
4
M
Regelungs-
baugruppe
CU
PV
SIMOVERT
MASTERDRIVES
Option K80
X101
X533
U1 V1 W1
U2 V2 W2
X
Y
M
3
-K1
K1
-Q1Hauptschalter
Netz
zu
auf
A1 Y10
Y21 Y22Y11 Y12
13
14
3TK2828
24
23
31 47 57
32 48 58
Y33 Y34 PE A2
A1 Y10 Y11 Y12 Y21 Y22 13
14
3TK2828
24
23
31 47 57
32 48 58
Y33 Y34 PE A2
AUS3
n = 0
-K2
-Y1
K2
-S1
K1
K2
P24
M
X: Binäreingang, zu verbinden mit AUS3
z. B. X101.8 --> P558 = 21
Y: Binärausgang, zu verbinden mit Meldung
"Vergleichswert erreicht"
z. B. X101.6 --> P654 = 120; P796 = 0 (Vergleichswert)
Not-Aus
S2
Anforderung Freigabe
Schutzeinrichtung
S3
Reset
AUS1
Bild 7-6 Anwendungsbeispiel Funktion "Sicherer Halt" mit
Schützsicherheitskombination für die Überwachung einer beweglichen
Schutzeinrichtung in Sicherheitskategorie 3 nach EN 954-1

Table of Contents

Related product manuals