EasyManua.ls Logo

Siemens Simovert Masterdrives Compact Plus Series - Page 58

Siemens Simovert Masterdrives Compact Plus Series
Print Icon
To Next Page IconTo Next Page
To Next Page IconTo Next Page
To Previous Page IconTo Previous Page
To Previous Page IconTo Previous Page
Loading...
06.2006 Parametrierung
Siemens AG 6SE7087-6KP50
SIMOVERT MASTERDRIVES Betriebsanleitung 8-9
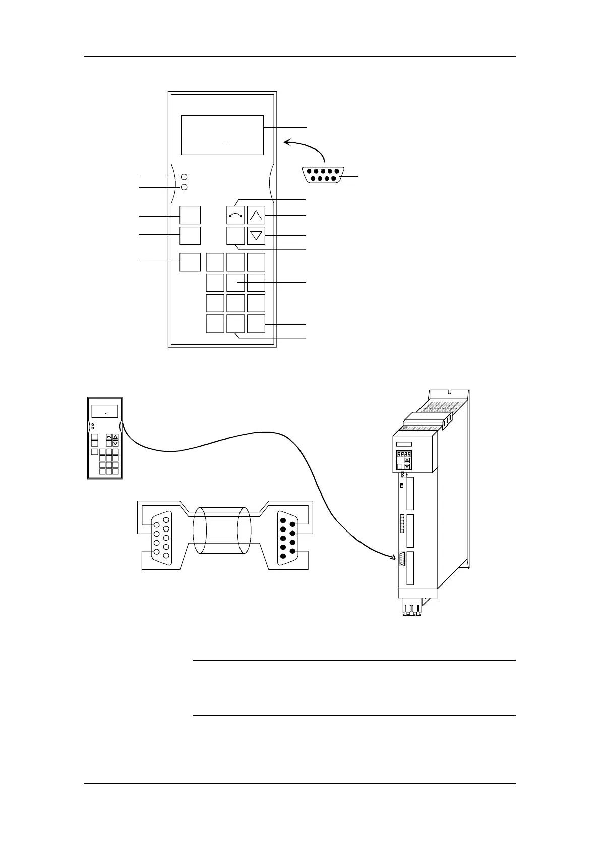
Tippen-Taste
Aus-Taste
Ein-Taste
Taste für die Bedienebenenumschaltung
Tiefer-Taste
her-Taste
Reversier-Taste
    
  
 
 

LC-Display (4 Zeilen x 16 Zeichen)
Vorzeichen-Taste
Reset-Taste (Quittieren)
0 bis 9: Ziffern-Tasten
Jog789
P
Reset
+/-
0
456
123
O
I
Fault
Run
Anschlussstecker
9-polig SUB-D
auf Geräterückseite
LED grün
LED rot
Bild 8-3 Ansicht OP1S
SIEMENS
A
S1
BX101
CX1 03
P
USS-Bus
   
 
 


Jog789
P
Reset
+/-0
456
123
O
I
Fault
Run
OP1S
U
S
S
ü
b
e
r
R
S
4
8
5
5
4
3
2
1
9
8
7
6
5
4
3
2
1
9
8
7
6
OP1S-Seite:
9-polige SUB-D Buchse
Geräteseite:
9-poliger SUB-D Stecker
Verbindungskabel
Bild 8-4 Beispiel OP1S bei Punkt-zu-Punkt-Kopplung mit Kompakt PLUS-Gerät
Im Auslieferzustand bzw. nach Durchführung eines Parameter-Resets
auf die Werkseinstellung kann ohne weitere vorbereitende Maßnahmen
eine Punkt-zu-Punkt-Kopplung mit dem OP1S aufgenommen und mit
der Parametrierung begonnen werden.
HINWEIS

Table of Contents

Related product manuals