EasyManua.ls Logo

Siemens Simovert Masterdrives Compact Plus Series - Page 80

Siemens Simovert Masterdrives Compact Plus Series
Print Icon
To Next Page IconTo Next Page
To Next Page IconTo Next Page
To Previous Page IconTo Previous Page
To Previous Page IconTo Previous Page
Loading...
06.2006 Parametrierung
Siemens AG 6SE7087-6KP50
SIMOVERT MASTERDRIVES Betriebsanleitung 8-31
SBP
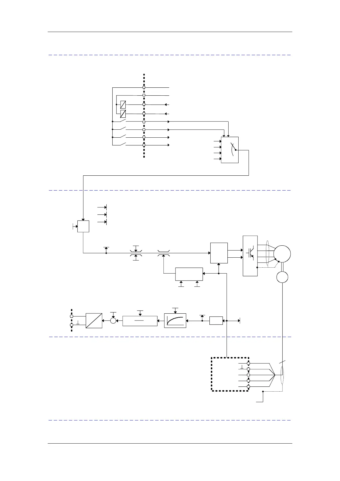
Daten des anzuschließenden Impulsgebers:
- HTL-Geber (15 V)
- 1024 Inc.
- ohne Kontrollspur
-X400/60
5
U
Spur A+
Nullimpuls+
B
Anz. Drehmo.kon.
r039.1
(=Drehmoment-
sollwert)
FSW M(grenz,1)
P263.1
FSW M(grenz,2)
P264.1
Strom-
regelung
Schirmauflage
0 0
0 1
1 0
1 1
FSW1
FSW2
FSW3
FSW4
AA Glättung
P642.1
AA Skalierung
P643.1
AA Offset
P644.1
A
D
+/- 10 V
-X101/11
y[V]= P643.1
x
100 %
Analogausgang
xy
-X101/12
AA
Anz. Drehmo.kon.
r039.2
(=Drehmoment-
istwert)
Regelungsart:
Dreh-
moment-
regelung
r003 Ausgangsspannung
r004 Ausgangsstrom
r006 Zwischenkreisspg
Bezugs-
drehmoment
P354
Norm.
P24
M24
1 = Betrieb
0 = Störung
FSW Bit 0
1-Flanke = Quittieren
1 = Ein 0 = Aus1
-X101/1
FSW Bit 1
-X101/2
-X101/3
-X101/4
-X101/5
-X101/6
-X101/7
-X101/8
Sollwert- und Befehlsquelle:
Klemmleiste und Festsollwerte (FSW)
Geberart:
Impulsgeber
-X400/61
-X401/68
-X401/70
-X401/72
Spur B+
Anz. Drehz.kon.
r041.2
(=Drehzahlistwert)
Drehzahl-
überwachung
n(max, pos.DR)
P452.1
n(max, neg.DR)
P453.1
Motor-
geber
Motor
3~
Modell
Der vollständige Anschluss des Impulsgebers
ist in der Betriebsanleitung der SBP
(Bestell-Nr.: 6SE7087-6NX84-2FA0) dokumentiert.

Table of Contents

Related product manuals