EasyManua.ls Logo

Siemens Simovert Masterdrives Compact Plus Series - Page 82

Siemens Simovert Masterdrives Compact Plus Series
Print Icon
To Next Page IconTo Next Page
To Next Page IconTo Next Page
To Previous Page IconTo Previous Page
To Previous Page IconTo Previous Page
Loading...
06.2006 Parametrierung
Siemens AG 6SE7087-6KP50
SIMOVERT MASTERDRIVES Betriebsanleitung 8-33
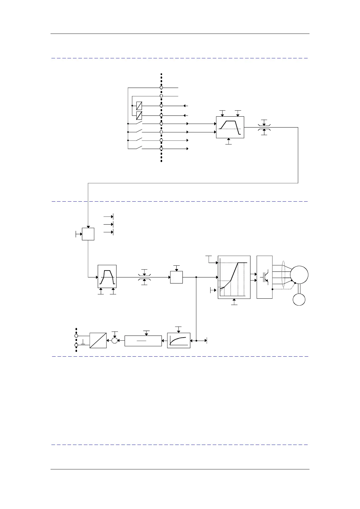
Regelungsart:
U/f-Steuerung
n(max, pos.DR)
P452.1
n(max, neg.DR)
P453.1
Hochlaufzeit
P462.1
Rücklaufzeit
P464.1
Spg. Kennlinie1
P327
Freq. Kennlinie1
P326
U
f
AnzeigeFreq.kon.
r043.2
(=Frequenzistwert)
Bezugs-
drehzahl
P353
P24
M24
1 = Betrieb
0 = Störung
1 = Motorpoti höher
1-Flanke = Quittieren
1 = Ein 0 = Aus1
-X101/1
1 = Motorpoti tiefer
HL-Zeit Mot.poti
P431
RL-Zeit Mot.poti
P432
Konf. Motorpoti
P425
Motorpoti(max)
P421
Motorpoti(min)
P422
00x0 = ... ohne Speichern nach Aus
00x1 = ... Speichern nach Aus
r003 Ausgangsspannung
r004 Ausgangsstrom
r006 Zwischenkreisspg
AA Glättung
P642.1
AA Skalierung
P643.1
AA Offset
P644.1
A
D
+/- 10 V
-X101/11
y[V]= P643.1
x
100 %
Analogausgang
x
y
-X101/2
-X101/3
-X101/4
-X101/5
-X101/6
-X101/7
-X101/8
-X101/12
AA
Sollwert- und Befehlsquelle:
Klemmleiste und Motorpoti
Geberart:
ohne Geber
Norm.
Motor-
geber
Motor
3~
.1 .2 .3 .4
.3 .4
.2
.1
Anhe-
bung
P325
Norm.
Bezugsfrequenz
P352

Table of Contents

Related product manuals