EasyManua.ls Logo

Siemens SINEC L2 - Sending Data and Fetching Data from a Station (SRD Service)

Siemens SINEC L2
224 pages
Print Icon
To Next Page IconTo Next Page
To Next Page IconTo Next Page
To Previous Page IconTo Previous Page
To Previous Page IconTo Previous Page
Loading...
S5-95U, SINEC L2 Data Transmission by Accessing Layer 2 Services
8.9 Sending Data and Fetching Data from a Station (SRD Service)
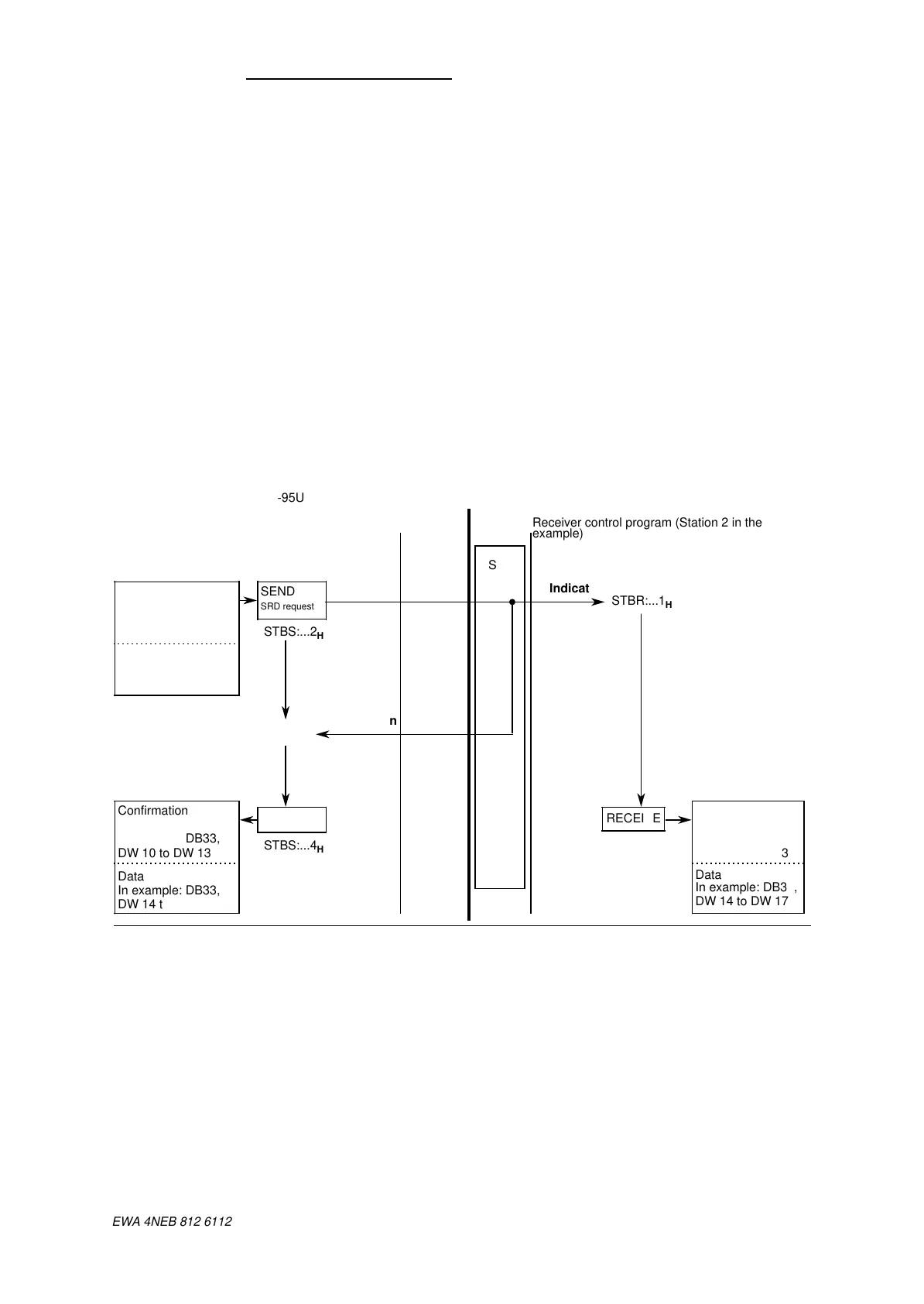
The SRD (Send and Request Data with Reply) layer 2 service is used by an active station to send
data to an active or passive station and/or fetch data from an active or passive station.
Prerequisite for data transmission:
You must hold data requested by the sender ready for fetching with the RUP_SINGLE
( section 8.7) or RUP_MULTIPLE layer 2 service ( section 8.8)
Data transmission schematic ( Figure 8-14):
The request (header + net data to be transmitted) in the flag or data area is sent with L2-SEND
(request to layer 2).
The 'Receive" status byte informs the receiver that an indication has arrived.
The receiver fetches the indication (header + net data received) with L2-RECEIVE.
The 'Send' status byte informs the sender that a confirmation has been transmitted.
The sender fetches the confirmation (= header + net data requested by the receiver) with L2-
RECEIVE.
Figure 8-14. Sending and Fetching Data with the SRD Service
LAN Bus
Request SRD
Header with 8 bytes
In example: DB33,
DW 1 to DW 4
Data
In example: DB33,
DW 5 to DW 8
a
a
a
a
a
a
a
a
a
a
a
a
a
a
a
a
a
a
a
a
a
a
a
a
a
a
a
a
a
a
a
a
a
a
a
a
a
a
a
a
a
a
a
a
a
a
a
a
STBS:...2
H
SEND
SRD request
a
a
a
a
a
a
a
a
a
a
a
a
a
a
a
a
a
a
a
a
a
a
a
a
a
a
a
a
a
a
a
a
a
a
a
a
a
a
a
a
a
a
a
a
a
a
a
a
STBS:...4
H
Confirmation header
8 bytes
In example: DB33,
DW 10 to DW 13
Data
In example: DB33,
DW 14 to DW 17
RECEIVE
Request
(Data)
Sender control program (Station 1 in the
a
a
a
a
a
a
a
a
a
a
a
a
a
a
a
a
a
a
a
a
a
a
a
a
a
a
a
a
a
a
a
a
a
a
a
a
a
a
a
a
a
a
a
a
a
a
a
a
a
a
a
a
a
a
a
a
a
a
a
a
(acknow-
ledgement
+data)
a
a
a
a
a
a
a
a
a
a
a
a
a
a
a
a
a
a
a
a
a
a
a
a
a
a
a
a
a
a
a
a
a
a
a
a
a
a
a
a
a
a
a
a
a
a
a
a
a
a
a
a
STBR:...4
H
a
a
a
a
a
a
a
a
a
a
a
a
a
a
a
a
a
a
a
a
a
(Data)
Indication header
8 bytes
In example: DB34,
DW 10 to DW 13
Data
In example: DB34,
DW 14 to DW 17
RECEIVE
STBR:...1
H
a
a
a
a
a
a
a
a
a
a
a
a
a
a
a
a
a
a
a
a
a
a
a
a
a
a
a
a
a
a
a
a
a
a
a
a
a
a
a
a
a
a
a
a
a
a
a
a
a
a
a
a
a
a
a
a
a
a
a
a
a
a
a
a
a
a
a
a
a
a
a
a
a
a
a
a
a
a
a
a
Indication
a
a
a
a
a
a
a
a
a
a
a
a
a
a
a
a
a
a
a
a
a
a
a
a
a
a
a
a
a
a
a
a
a
a
a
a
a
a
a
a
a
a
a
a
a
a
a
a
STBS:...3
H
a
a
a
a
a
a
a
a
a
a
a
a
a
a
a
a
a
a
a
a
a
a
a
a
a
a
a
a
a
a
a
a
a
a
a
a
a
a
a
a
a
a
a
a
a
a
a
a
Confirmation
Receiver control program (Station 2 in the
example)
a
a
a
a
a
a
a
a
a
a
a
a
a
a
a
a
a
a
a
a
a
a
a
a
a
a
a
a
a
a
a
a
SAP
S5-95US5-95U
EWA 4NEB 812 6112-02
8-29

Table of Contents

Related product manuals