EasyManua.ls Logo

Siemens SINUMERIK MPP 1500D - Handheld Unit Connection HT 8 with Emergency Stop Override

Siemens SINUMERIK MPP 1500D
60 pages
Print Icon
To Next Page IconTo Next Page
To Next Page IconTo Next Page
To Previous Page IconTo Previous Page
To Previous Page IconTo Previous Page
Loading...
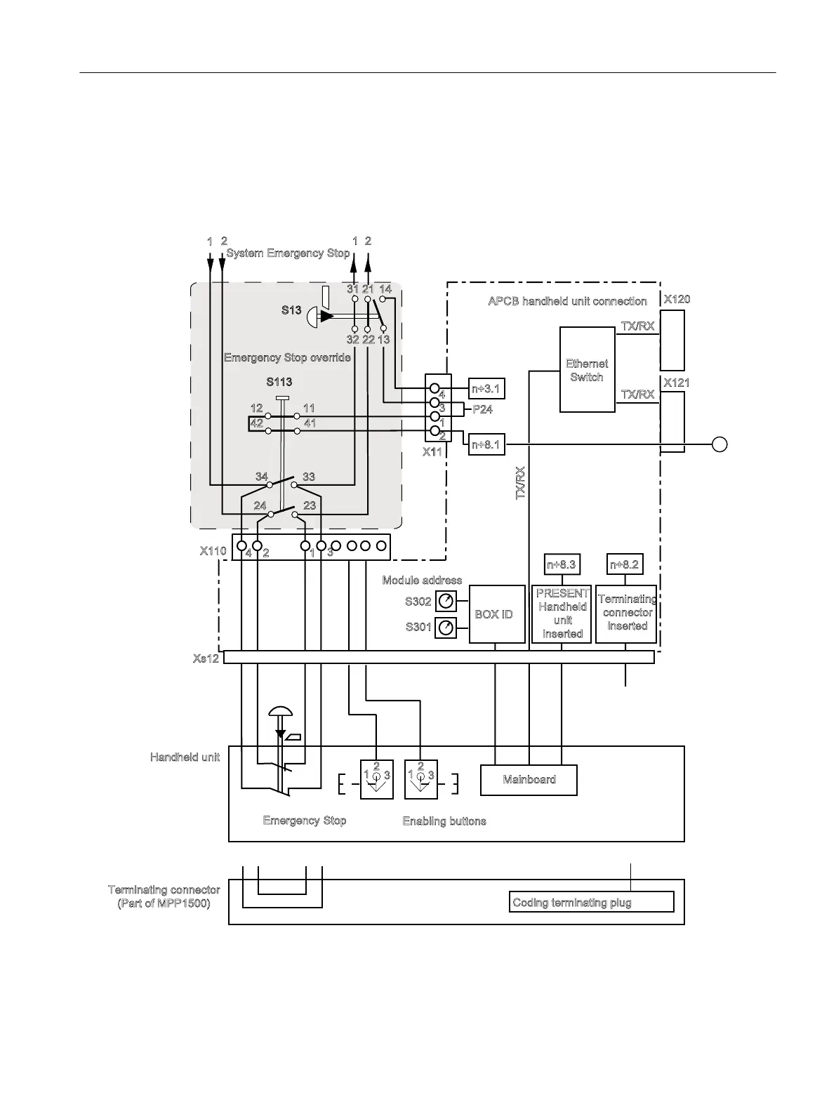
6.5 Handheld unit connection HT 8 with emergency stop override
Handheld unit connection
When connecting the handheld unit observe the following diagram:
Q
7HUPLQDWLQJ
FRQQHFWRU
LQVHUWHG
Q
Q
6


3
;
&RGLQJWHUPLQDWLQJSOXJ
Q
35(6(17
+DQGKHOG
XQLW
LQVHUWHG
0RGXOHDGGUHVV
6
+DQGKHOGXQLW
7HUPLQDWLQJFRQQHFWRU
3DUWRI033
%2;,'
$3&%KDQGKHOGXQLWFRQQHFWLRQ
;
;
7;5;
(WKHUQHW
6ZLWFK
;V
0DLQERDUG
S6WR(PHUJHQF\
;
6



(PHUJHQF\6WRSRYHUULGH
6
6\VWHP(PHUJHQF\6WRS








(QDEOLQJEXWWRQV
6
6
7;5;
7;5;

Figure 6-4 MPP 1500D/E handheld unit connection
Signal to the PLC
Connecting up
6.5 Handheld unit connection HT 8 with emergency stop override
Machine Push Button Panel: MPP 1500D / MPP 1500E
Equipment Manual, 04/2021, A5E50753610B AA 49

Related product manuals