EasyManua.ls Logo

Sime 1R - Page 19

Sime 1R
Print Icon
To Next Page IconTo Next Page
To Next Page IconTo Next Page
To Previous Page IconTo Previous Page
To Previous Page IconTo Previous Page
Loading...
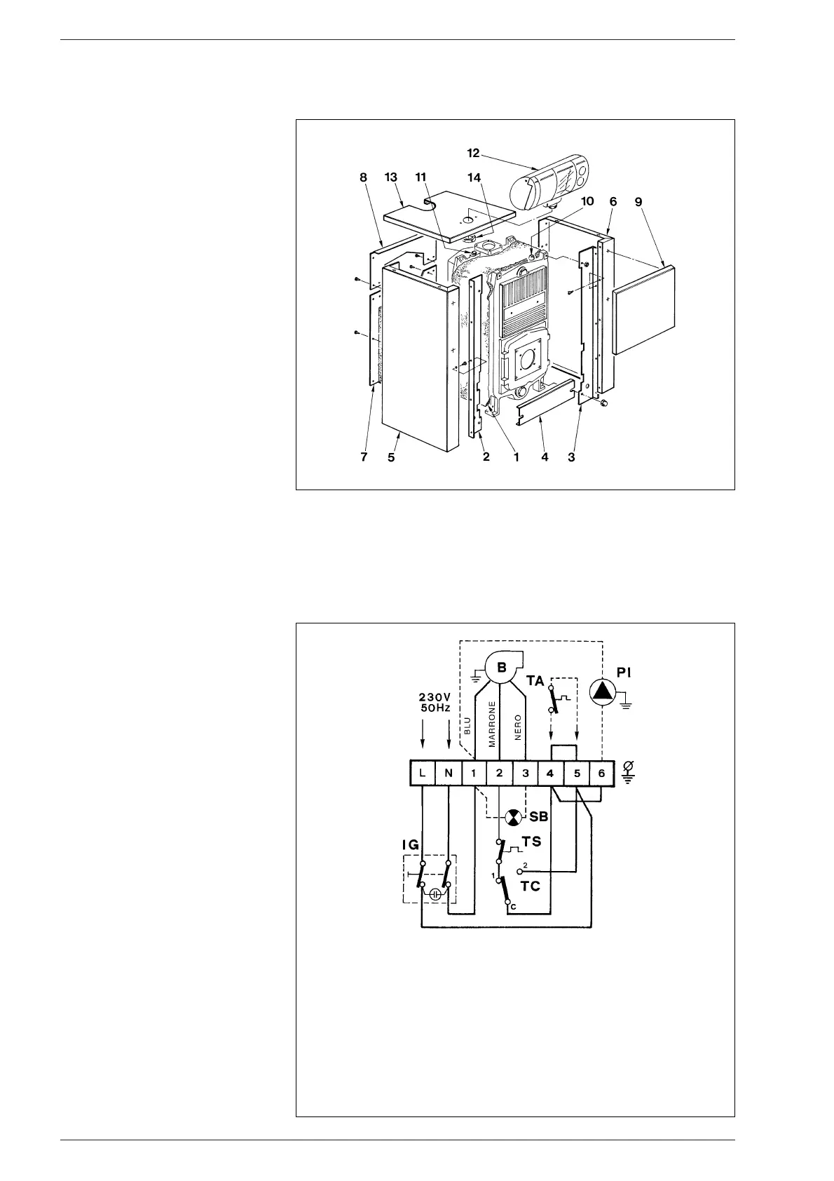
2.6 MONTAJE DE
LA ENVOLVENTE
La envolvente y el panel de mandos se
suministran en dos cajas de cartón
separadas. El mismo embalaje de la
envolvente contiene la bolsita con los
documentos y el aislante térmico para
el cuerpo de hierro fundido. Para mon-
tar la envolvente proceder como indi-
camos a continuación (fig. 8):
fijar los angulares laterales delante-
ros izquierdos (2) y derechos (3) a
los tirantes superiores con las dos
tuercas galvanizadas que se sumini-
stran;
antes de bloquear los angulares con
las dos tuercas ciegas suministra-
das, insertar el panel inferior delan-
tero (4) en los tirantes inferiores ;
revestir el cuerpo de hierro fundido
con el aislante térmico (1);
fijar los laterales (5) y (6) a los angu-
lares con los diez tornillos autoenro-
scantes suministrados y bloquerlos
con posterioridad con las dos tuer-
cas insertadas en los tirantes;
montar el panel inferior trasero (7)
con los ocho tornillos autoenroscan-
tes suministrados;
montar el panel superior trasero (8)
con los seis tornillos autoenroscan-
tes suministrados;
fijar el panel de mandos (12) a la
tapa de la envolvente (13) con las
tuercas de bloqueo (14);
soltar los capilares de los dos
termóstatos y del termómetro,
introduciendo las respectivas son-
das dentro de la vaina (11), blo-
queando luego este conjunto, con el
apósito muelle, que se entrega para
atar los capilares;
atornillar la sonda del hidrómetro
sobre la válvula de retención (10);
completar el montaje fijando la tapa
de la envolvente (13) y el panel
delantero (9) a los laterales.
NOTA: Conservar con los documen-
tos de la caldera el “Certifi-
cado de conformidad del
ensayo” puesto en la cámara
de combustión.
2.7 CONEXION ELECTRICA
La caldera se suministra con un cable
eléctrico de alimentación y debe ser
alimentada con corriente monofásica
230V - 50HZ a través de un interrup-
tor general protegido por fusibles. El
termóstato ambiente es necesario
para obtener una buena regulación de
la temperatura ambiente y debe
conectarse a los bornes 4-5 después
de haber quitado el puente (fig. 9).
Conectar el cable de alimentación del
quemador suministrado con la caldera.
NOTA:
SIME declina toda responsabilidad
por daños a personas o cosas deriva-
dos de la falta de conexión eléctrica
a tierra de la caldera.
17
Fig. 8
LEYENDA
IG Interruptor general
TA Termóstato ambiente (no suministrado)
PI Bomba instalación (no suministrada)
TC Termóstato caldera
TS Termóstato de seguridad
B Quemador (no suministrado)
SB Bombilla bloqueo quemador
NOTA: Conectando el TA quitar el puente
entre los bornes 4-5.
Fig. 9

Related product manuals