EasyManua.ls Logo

Singer 14T957DC - Needle Bar Height and Parallelism; Check Needle Bar Height and Parallelism; Setting Needle Bar Height; Test Needle Bar Parallelism

Singer 14T957DC
27 pages
Print Icon
To Next Page IconTo Next Page
To Next Page IconTo Next Page
To Previous Page IconTo Previous Page
To Previous Page IconTo Previous Page
Loading...
5
B
C
1047306-26
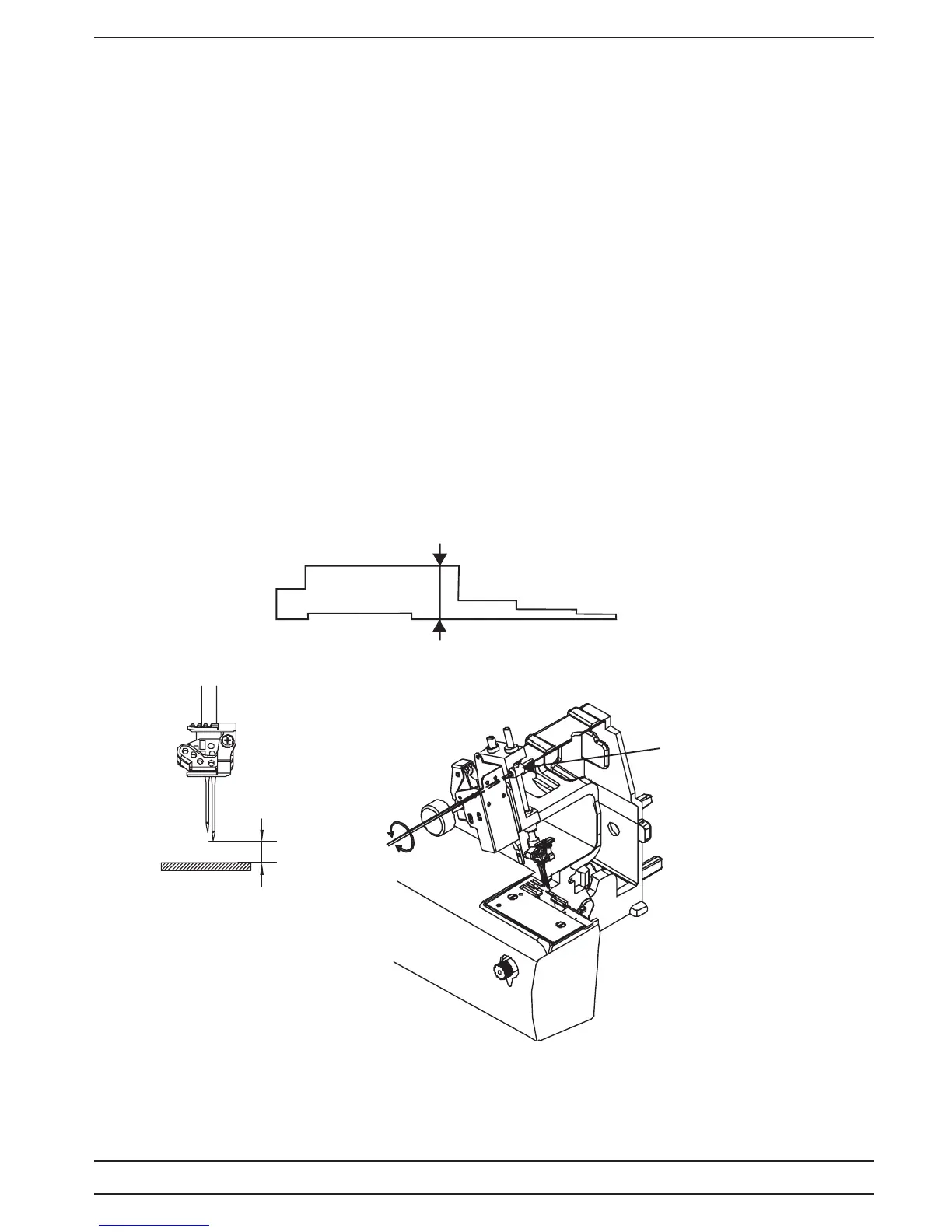
2. Needle bar height and parallelism
Check
1. Insert a new needle ELx705 # 90 into the left back needle holder "B".
The needle must be inserted into the needle holder as far as it can go.
2. Turn the handwheel in the normal direction until the needle bar is at its upper turning point.
3. The distance from the tip of the "B" needle to needle plate must be 10.8 mm (B).
Check the needle bar height using the adjustment gauge.
Setting:
1. Remove the face cover.
2. Turn the handwheel in the normal direction until the needle bar is at its upper turning point.
3. Slightly loosen the screw (C) of the needle bar connection.
4. Move the needle bar upwards without turning it until the needle touches the adjustment
gauge so the distance is 10.8 mm (B).
5. Tighten the screw (C).
Test:
Check the clearance.
The needle holder must be parallel to the machine housing.
The sides of the needles “C”, “D” and “E” must not touch the sides of the needle plate.

Related product manuals