EasyManua.ls Logo

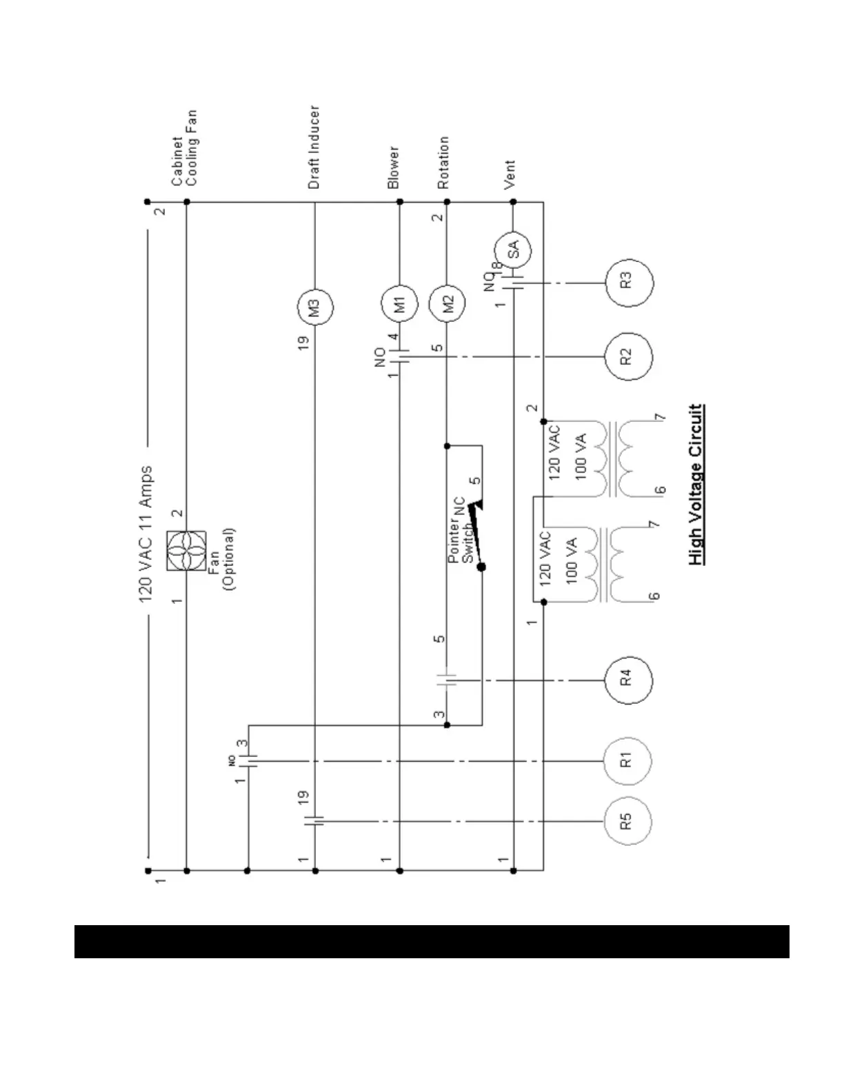
sinmag LBC LMO Max-E - ELECTRICAL SCHEMATICS - Part 2; High Voltage Circuit Diagram

sinmag LBC LMO Max-E
42 pages
Print Icon
To Next Page IconTo Next Page
To Next Page IconTo Next Page
To Previous Page IconTo Previous Page
To Previous Page IconTo Previous Page
Loading...
© Copyright 2017-2022 LBC Bakery Equipment, Inc. 37 Rev 6/2022
ELECTRICAL SCHEMATICS (Part 2 of 4) .

Related product manuals