EasyManua.ls Logo

Skyjack SJ 3215 - Electrical Schematic [ANSI;CSA & EE Rated - Equipped with All Options]

Skyjack SJ 3215
114 pages
Print Icon
To Next Page IconTo Next Page
To Next Page IconTo Next Page
To Previous Page IconTo Previous Page
To Previous Page IconTo Previous Page
Loading...
SKYJACK, Page 29SJIII Compact Series
143909
A B C D E F G H
V
Z
Y
X
W
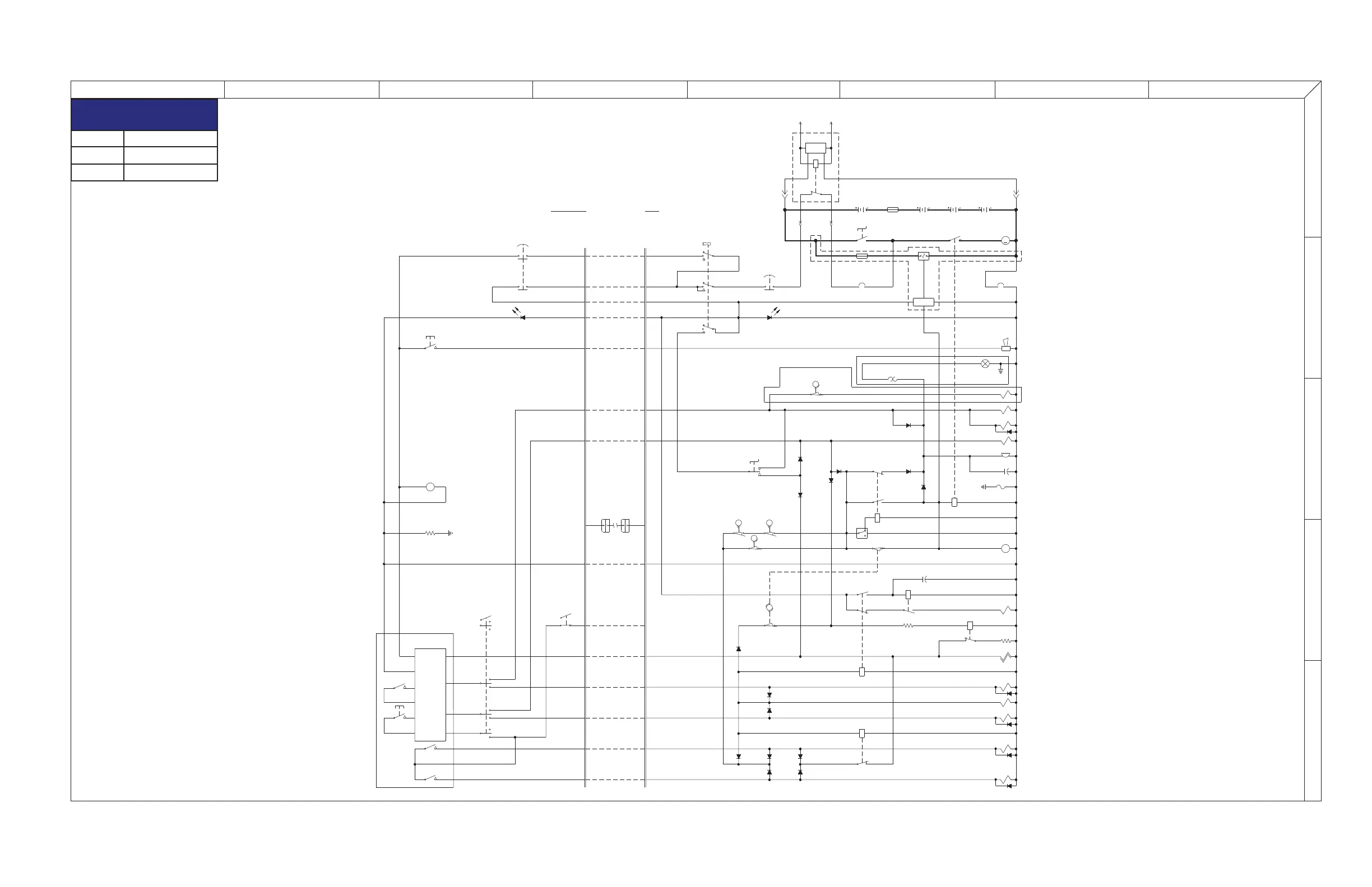
3.22a Electrical Schematic [ANSI/CSA & EE Rated - equipped with all options]
M147370AD
39
38
19
LS5
72
POTHOLE PROTECTION
LIMIT SWITCHES N.C.H.O.
71
LS4
2H-59
RST2
49
POWER ON LED
HORN
HORN
H1
49
7A
7A
8C
07
NCHO
NO
NCHO
10E
8C
(IN IDLE POSITION)
IDLE/PLTF/BASE
KEY SWITCH
S10
5A
7A
POWER ON LIGHT
LED-2
02
05
07
7A
STOP
SWITCH
S28
EMERGENCY
5A
60
49
08
ENABLE
02
02
02
JOYSTICK PCB
08
7A
08
S4
EMERGENCY
STOP
49
7A
07
BATTERY CHARGE
S8
HORN
SWITCH
08
S7
JOYSTICK
PWM
00
2.7K OHMS
RST1
BCI
INDICATOR
V
02
60
59
24
23
RIGHT
12B
S7-2
LEFT
S7-3
07
8C
8C
S7-1
NUETRAL
OUTPUT
GREEN
BLUE/WHITE
RED/WHITE
BLUE/BLACK
BLACK/WHITE
BLUE
WHITE/BLACK
ORANGE/BLACK
RED/BLACK
WHITE
CRD3CRD1 CRD2
BLACK
ORANGE
RED
GREEN/WHITE
POWER ON/LSS
LIGHT
LED-1
02
60
02
S7-6
ENABLE
8A
50A FUSE
PUMP MOTOR
INVERTER OPTION
24V
CONTROL BOX
BASE
110 VAC
LINE VOLTAGE
F1
300A
FUSE
24V CHARGER
L1CR
CHARGER
CUTOUT RELAY
BC
S1 MAIN
DISCONNECT
B1 6V
BATTERY
2
B3 6V
BATTERY
B2 6V
BATTERY
-
1
NEGATIV
CHARGER
C1
MOTOR
CONTACTOR
DCM1
3
00
BATTERY
PACK
4
M 5
6
7
FLASHING LIGHT
15A CIRCUIT
INVERTER OPTION
DOWN SOLENOID
HOLDING VALVE
UP SOLENOID
0.47uF CAPACITOR
TILT SWITCH
MOTOR CONTACTOR
TILT SWITCH
1000uF CAPACITOR
CUSHION SOLENOID
CUSHION RELAY
PROPORTIONAL
PROPORTIONAL
REVERSE SOLENOID
TRANSFER RELAY
FORWARD SOLENOID
STEER RELAY
BRAKE SOLENOID
RIGHT SOLENOID
LEFT SOLENOID
28
LS6
DRIVE OVERRIDE
LIMIT SWITCH N.C.
HIGH SPEED
LIMIT SWITCHES N.C.
71
S2
UP/DOWN
SWITCH
07
13
14
10E
02
D14-1
D28A
D13
7A
29
15A CIRCUIT
BREAKER
3A
CB2
03
22
FLASHER
FL-29
14
13
13
14E
D14E
19
D14
28A
FL-22
19A
02
85
TIMER
22
8
9
BREAKER
TIMER
0200
CB1
12
FLASHER
10
11
OPTION
2H-13-1
DO2-1
13
29
15
13
2H-13
14
3H-14
29
17
C2
16
BEEPER
BP-29
RST3
LOW VOLTAGE
PROTECTION
D14E-1
19
28 28CR
19 19A
TS119
19
19A
LS1B
LS1A
21
17A
17C7A
17D
21
D19A
19A
19A
RELAY
20
18
0200
19
HOURMETER
21
22
19A
TT
59A
21ACR
C1
17CCR
59
25
21A
25
24
23
26
2H-25
27
RELAY
17
17
17
D17
D17-1
59
16
15
71
23
24
59
D15
D16
17CR1
17
59
D23 D23-1
D24 D24-1
5959D
17CR
17
DO2-2
29
30
SOLENOID
33
32
3H-17
4H-16
31
4H-15
DO2-3
DO2-4
DO2-5
34
4H-23
35
36
4H-24
37
B4 6V
BATTERY
F2
40
2H-13A
SOLENOID (3215 ONLY)
DECELERATION
LS7
DECELERATION LIMIT
SWITCH N.C. (3215 ONLY)
13A
13
12B
S27
TORQUE
SWITCH
16
12B
8A
15
13
14
A
B
S3
LIFT/
OFF/
DRIVE
SWITCH
14
13
02
18
59
15
23
16
24
FWD/UP
A
REV/DN
B
(UNAVAILABLE ON EE
RATED MACHINES)
AC
Serial Breakdown
Reference Chart
Model Serial Number
SJ3 3215 10000611 & above
SJ3 3219 22020985 & above

Table of Contents

Related product manuals