EasyManua.ls Logo

Skyworks Si5391 - Zero Delay Mode (All Si5391 Devices Except Si5391 P)

Default Icon
94 pages
Print Icon
To Next Page IconTo Next Page
To Next Page IconTo Next Page
To Previous Page IconTo Previous Page
To Previous Page IconTo Previous Page
Loading...
9. Zero Delay Mode (All Si5391 Devices Except Si5391P)
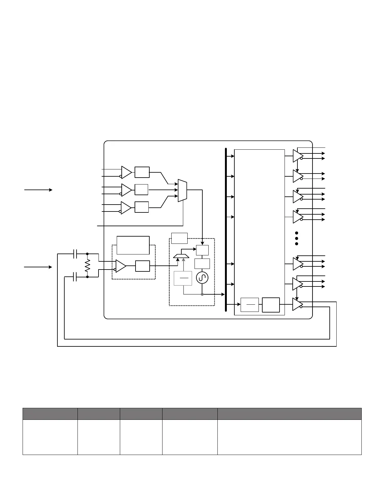
A zero delay mode is available, in all Si5391 devices except for Si5391P, for applications that require fixed and consistent minimum
delay between the selected input and outputs. The zero delay mode is configured by opening the internal feedback loop through
software configuration and closing the loop externally as shown in Figure 9.1 Si5391 Zero Delay Mode Setup on page 40. This helps
to cancel out the internal delay introduced by the dividers, the crosspoint, the input, and the output drivers. Any one of the outputs
can be fed back to the FB_IN pins, although using the output driver that achieves the shortest trace length will help to minimize the
input-to-output delay. The OUT11 and FB_IN pins are recommended for the external feedback connection in the Si5391. The FB_IN
input pins must be terminated and ac-coupled when zero delay mode is used. A differential external feedback path connection is
necessary for best performance. For this reason, customers should avoid using CMOS outputs for driving the external feedback path.
Zero Delay Mode performance will degrade with low values of phase detector frequency (Fpfd). For this reason, ClockBuilder Pro will
not enable Zero Delay Mode with an Fpfd of less than 128 kHz.
When the DSPLL is set for Zero-Delay Mode (ZDM), a hard reset request from either the RSTb pin or RST_REG register bit will have a
delay of ~750 ms before executing. Any subsequent register writes to the device should be made after this time expires or they will be
overwritten with the NVM values. Please contact Skyworks technical support for information on reducing this ZDM hard reset time.
Zero Delay
Mode
IN_ SEL[1:0]
IN0
IN0b
IN1
IN1b
IN2
IN2b
÷
P
0
÷
P
1
÷
P
2
VDDO0
OUT1b
VDDO1
OUT1
OUT2b
VDDO2
OUT2
OUT9b
VDDO8
OUT8
OUT 9b
VDDO 9
OUT 9
OUT 9Ab
OUT9A
MultiSynth
& Dividers
IN3/FB_IN
IN3b/FB_INb
100
External Feedback Path
PD
LPF
÷
M
n
M
d
÷
N
9n
N
9d
÷R
11
f
FB
= f
IN
f
IN
÷
P
fb
PLL
OUT 0Ab
OUT 0A
OUT
0b
OUT0
Figure 9.1. Si5391 Zero Delay Mode Setup
The following table gives the register used for the Zero Delay mode.
Table 9.1. Zero Delay Mode Register:
Reg Address Bit Field Type Setting Name Description
0x091C 2:0 R/W ZDM_EN 3 = Zero delay mode.
4 = Normal mode.
All other values must not be written.
Si5391 Reference Manual • Zero Delay Mode (All Si5391 Devices Except Si5391P)
Skyworks Solutions, Inc. • Phone [781] 376-3000 • Fax [781] 376-3100 • sales@skyworksinc.com • www.skyworksinc.com
40 Rev. 0.5 • Skyworks Proprietary Information • Products and Product Information are Subject to Change Without Notice • January 11, 2022 40

Table of Contents