EasyManua.ls Logo

SMC Networks ZSE40A - Page 22

SMC Networks ZSE40A
76 pages
Print Icon
To Next Page IconTo Next Page
To Next Page IconTo Next Page
To Previous Page IconTo Previous Page
To Previous Page IconTo Previous Page
Loading...
-21-
No.PS※※-OMM0007-H
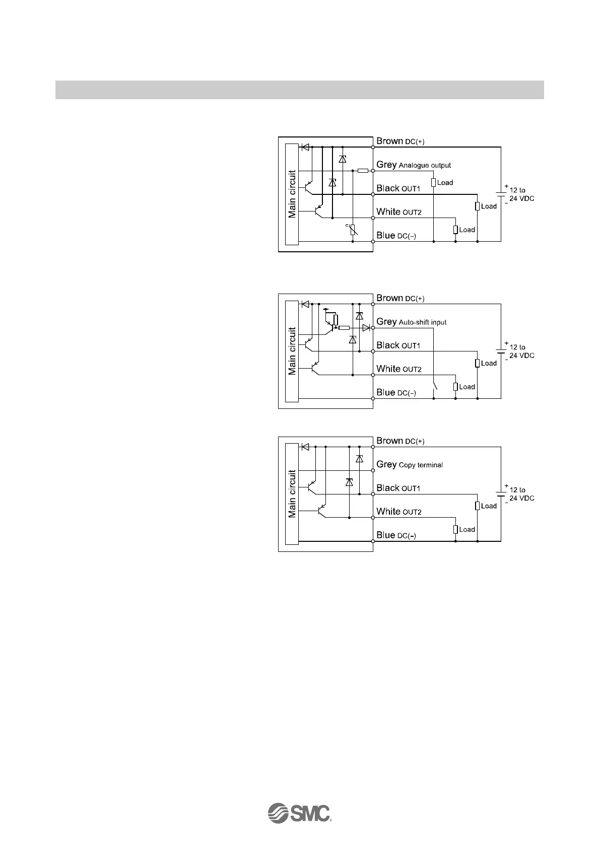
-V/-T
(Analogue output mode)
Switch output
PNP open collector output type-2 output
Max. 80 mA
Residual voltage 1 V or less
T: Analogue output 1 to 5 V
Output impedance 1 kΩ
V: Analogue output 4 to 20 mA
Max. load impedance
Power supply voltage 12 V: 300
Power supply voltage 24 V: 600
Min. load impedance 50
-V/-T
(Auto-shift input mode)
With auto-shift switch output
PNP open collector output type-2 output
Max. 80 mA
Residual voltage 1 V or less
-Y
(Copy function switch output)
PNP open collector output type-2 output
Max. 28 V, 80 mA
Residual voltage 1 V or less

Related product manuals