EasyManua.ls Logo

Smithco 13-550-C - Page 28

Default Icon
108 pages
Print Icon
To Next Page IconTo Next Page
To Next Page IconTo Next Page
To Previous Page IconTo Previous Page
To Previous Page IconTo Previous Page
Loading...
26
Parts
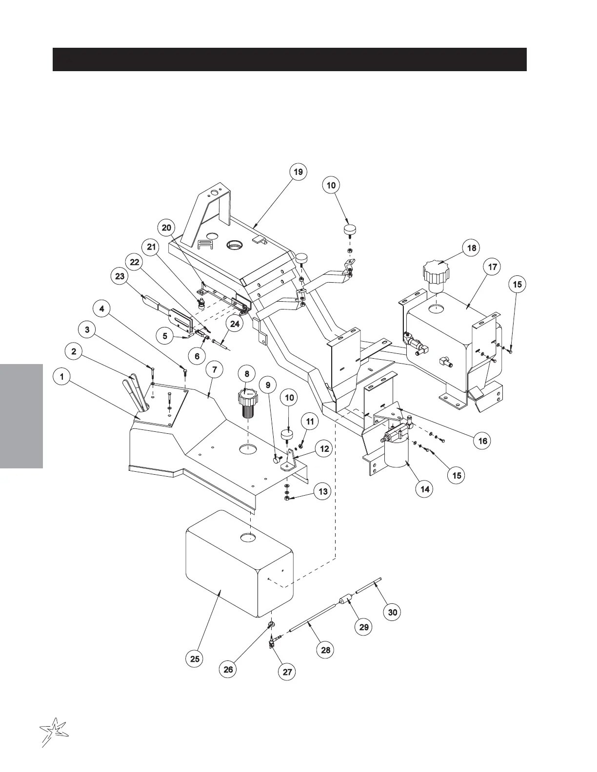
LEFT FENDER AND TANK DRAWING

Related product manuals