EasyManua.ls Logo

Smithco 13-550-C - Infield Scarifier

Default Icon
108 pages
Print Icon
To Next Page IconTo Next Page
To Next Page IconTo Next Page
To Previous Page IconTo Previous Page
To Previous Page IconTo Previous Page
Loading...
64
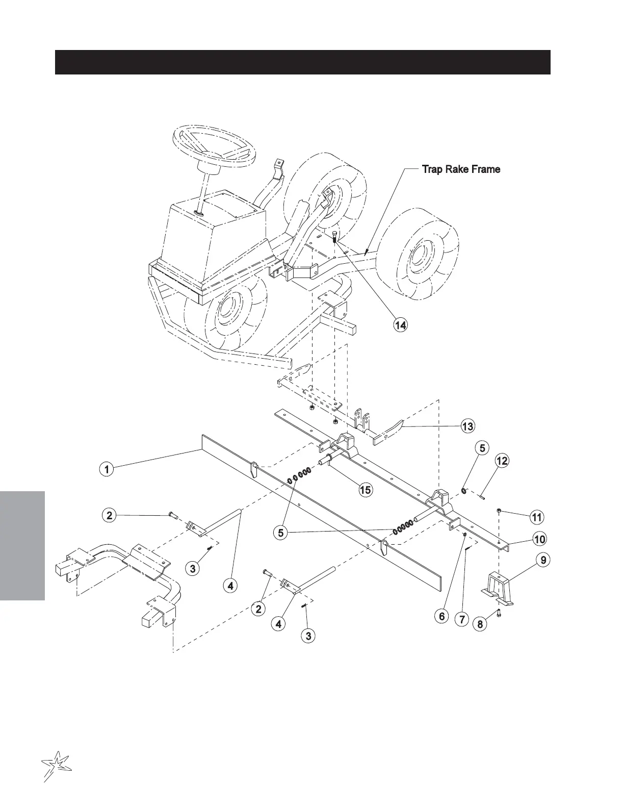
Accessories
13-107 INFIELD SCARIFIER DRAWING

Related product manuals