EasyManua.ls Logo

Smithco 13-550-C - Scarifier Vertical Blades

Default Icon
108 pages
Print Icon
To Next Page IconTo Next Page
To Next Page IconTo Next Page
To Previous Page IconTo Previous Page
To Previous Page IconTo Previous Page
Loading...
70
Accessories
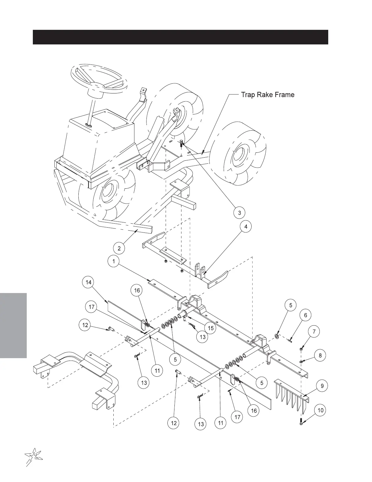
13-577 SCARIFIER VERTICAL BLADES DRAWING

Related product manuals