EasyManua.ls Logo

Smithco 13-550-C - Parts; Main Frame Drawing

Default Icon
108 pages
Print Icon
To Next Page IconTo Next Page
To Next Page IconTo Next Page
To Previous Page IconTo Previous Page
To Previous Page IconTo Previous Page
Loading...
16
Diagrams
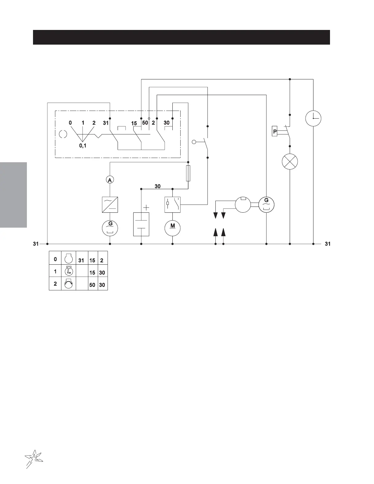
WIRING SCHEMATIC 2 WHEEL DRIVE

Related product manuals