EasyManua.ls Logo

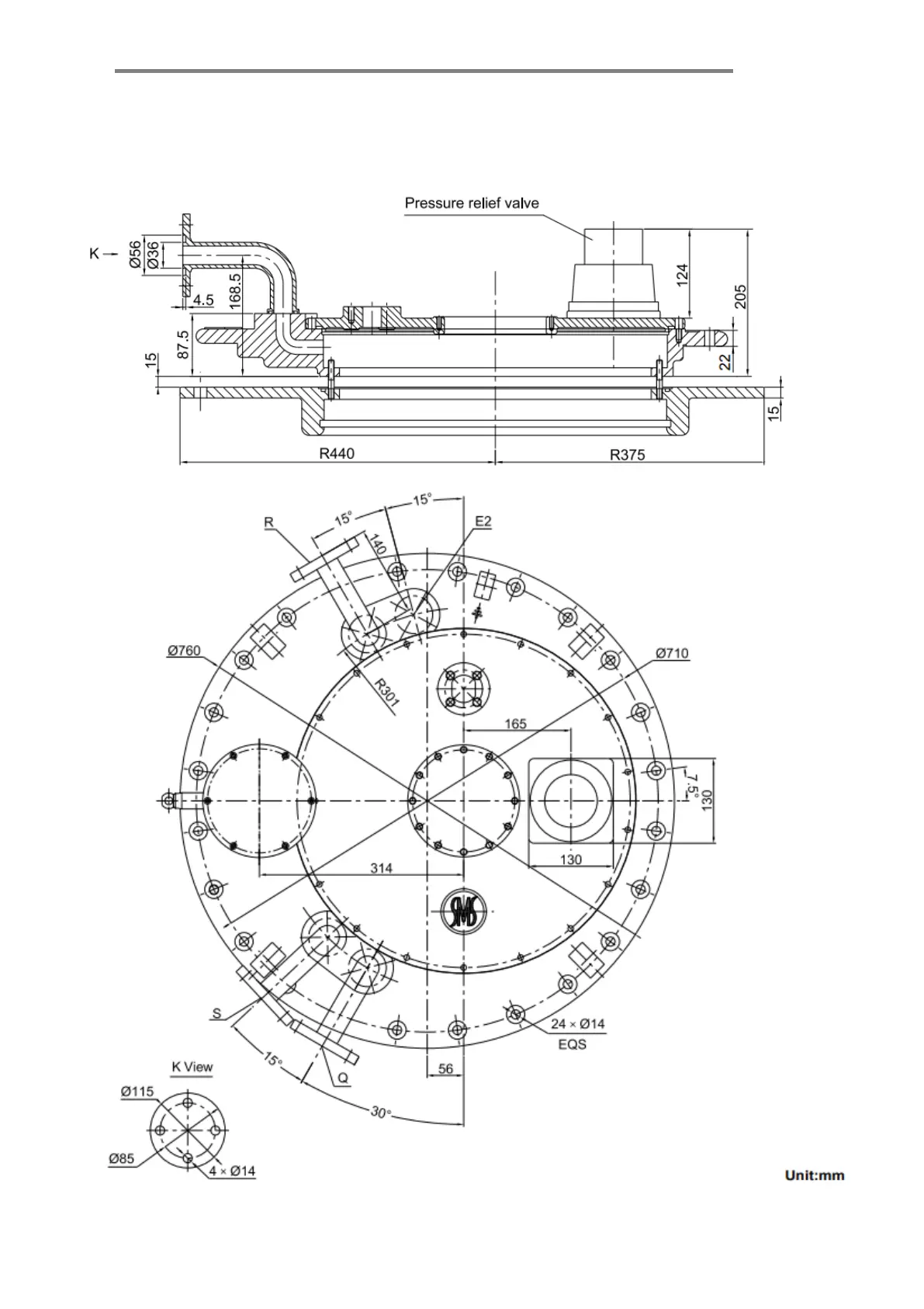
SMS SHZV - Appendix 2. SHZV Head Flange with Pressure Relief Valve Overall Dimension

SMS SHZV
87 pages
Print Icon
To Next Page IconTo Next Page
To Next Page IconTo Next Page
To Previous Page IconTo Previous Page
To Previous Page IconTo Previous Page
Loading...
HM0.460.3901
55
Appendix 2. SHZV head flange with pressure relief valve overall dimensioncylinder tap
selector

Table of Contents

Related product manuals