EasyManua.ls Logo

Sofar HYD 6000-EP - Page 38

Sofar HYD 6000-EP
73 pages
Print Icon
To Next Page IconTo Next Page
To Next Page IconTo Next Page
To Previous Page IconTo Previous Page
To Previous Page IconTo Previous Page
Loading...
HYD 3000 ... 6000-EP User manual
Copyright © Shenzhen SOFARSOLAR Co., Ltd
- 33 -
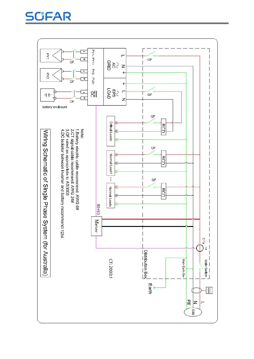
Fig. 4-16 Electrical connections (Plan B:Meter +CT )

Related product manuals