EasyManua.ls Logo

Sofarsolar HYD 10KTL-3PH - Page 44

Default Icon
128 pages
Print Icon
To Next Page IconTo Next Page
To Next Page IconTo Next Page
To Previous Page IconTo Previous Page
To Previous Page IconTo Previous Page
Loading...
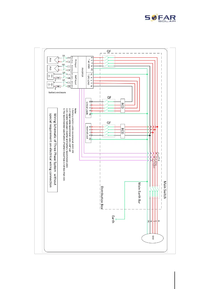
ELECTRICAL CONNECTIONS
44 HYD 5K...20KTL-3PH
5.3.1 System A: direct measurement with CTs

Other manuals for Sofarsolar HYD 10KTL-3PH

Related product manuals