EasyManua.ls Logo

Sofarsolar HYD 10KTL-3PH - Page 46

Default Icon
128 pages
Print Icon
To Next Page IconTo Next Page
To Next Page IconTo Next Page
To Previous Page IconTo Previous Page
To Previous Page IconTo Previous Page
Loading...
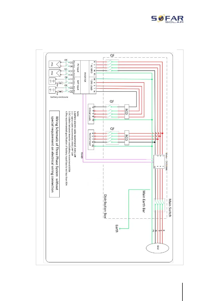
ELECTRICAL CONNECTIONS
46 HYD 5K...20KTL-3PH
5.3.3 System C: measurement with only an energy meter

Other manuals for Sofarsolar HYD 10KTL-3PH

Related product manuals