EasyManua.ls Logo

SOMFY LS40 - Page 14

SOMFY LS40
15 pages
Print Icon
To Next Page IconTo Next Page
To Next Page IconTo Next Page
To Previous Page IconTo Previous Page
To Previous Page IconTo Previous Page
Loading...
Motorisation of Window Coverings
using Somfy Motors
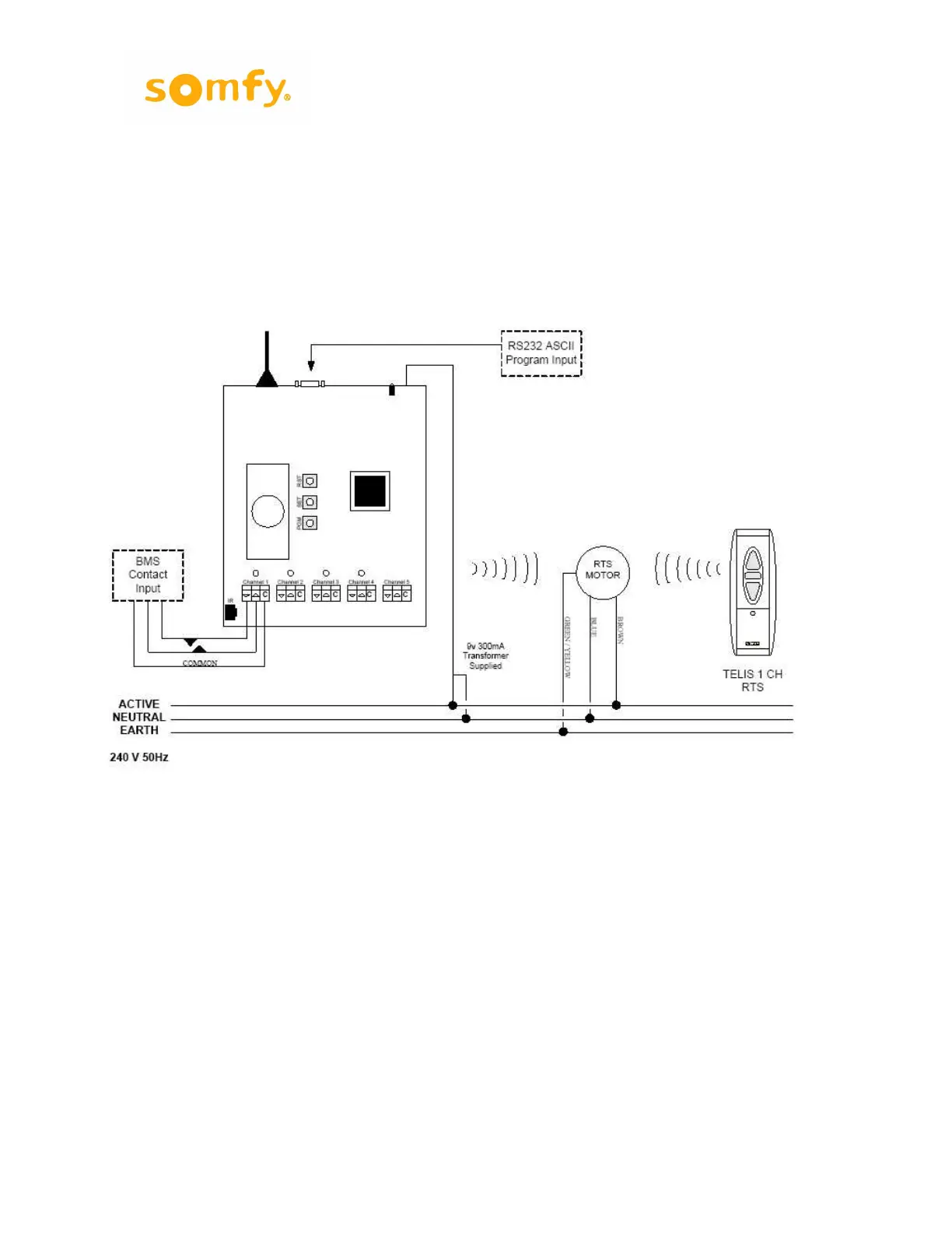
Option 2 (cont)
Busline Transmitter (Five channel)

Other manuals for SOMFY LS40

Related product manuals