EasyManua.ls Logo

SOMFY LS40 - Integration to BMS: LS40 or LT50; Option 1: CD4 Controller

SOMFY LS40
15 pages
Print Icon
To Next Page IconTo Next Page
To Next Page IconTo Next Page
To Previous Page IconTo Previous Page
To Previous Page IconTo Previous Page
Loading...
Motorisation of Window Coverings
using Somfy Motors
Integration to BMS using LS40 or LT50
Option 1
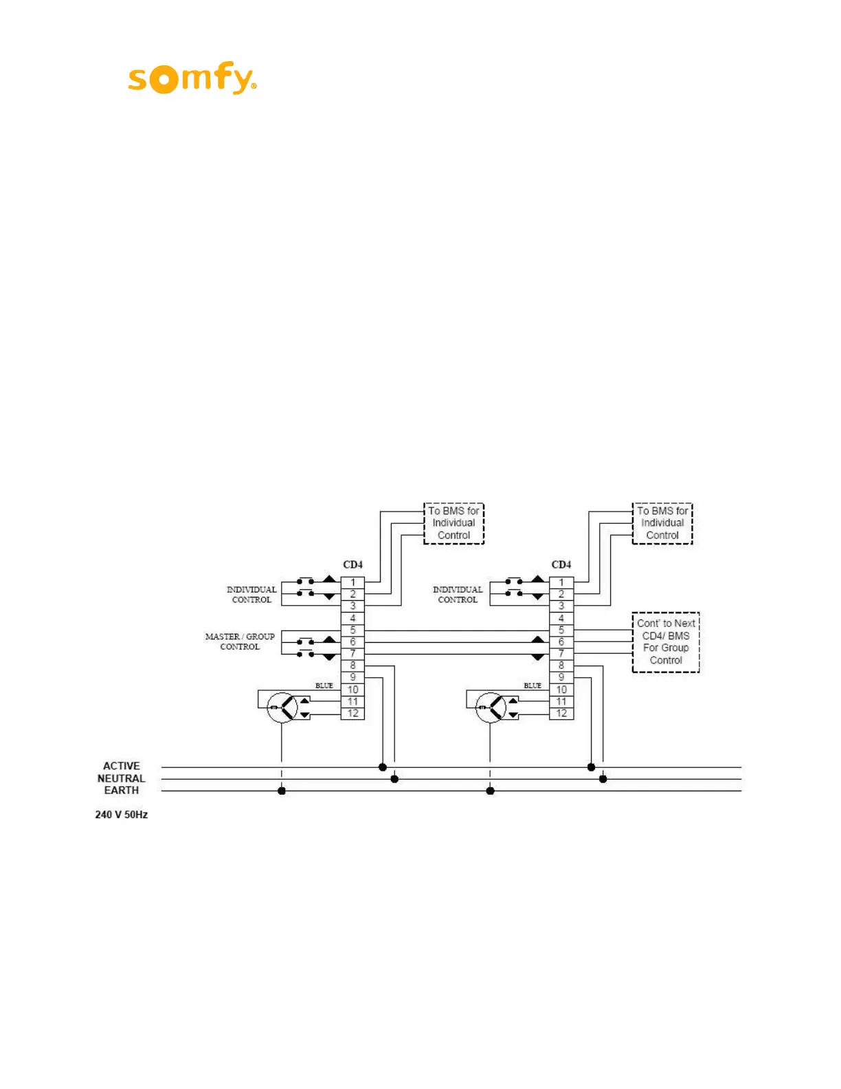
CD4 individual motor controller
Requires 240V power supply and has 240V latched output
Provides interlocking between up and down commands
Dry contact impulse switching (impulse contact closure of 1 second minimum)
Contact between common and up or common and down to activate motor
Simultaneous contact between a common up and down to create a stop
CD4 Venetian module available for control of Venetian blinds
Dimensions: 112 (h) x 52 (w) x 106 (d)
Note: Earth wire not required for LS40 motors

Other manuals for SOMFY LS40

Related product manuals