EasyManua.ls Logo

Sony BDP - S1E - Connecting to TV and Stereo Systems

Sony BDP - S1E
64 pages
Print Icon
To Next Page IconTo Next Page
To Next Page IconTo Next Page
To Previous Page IconTo Previous Page
To Previous Page IconTo Previous Page
Loading...
13
Getting Started
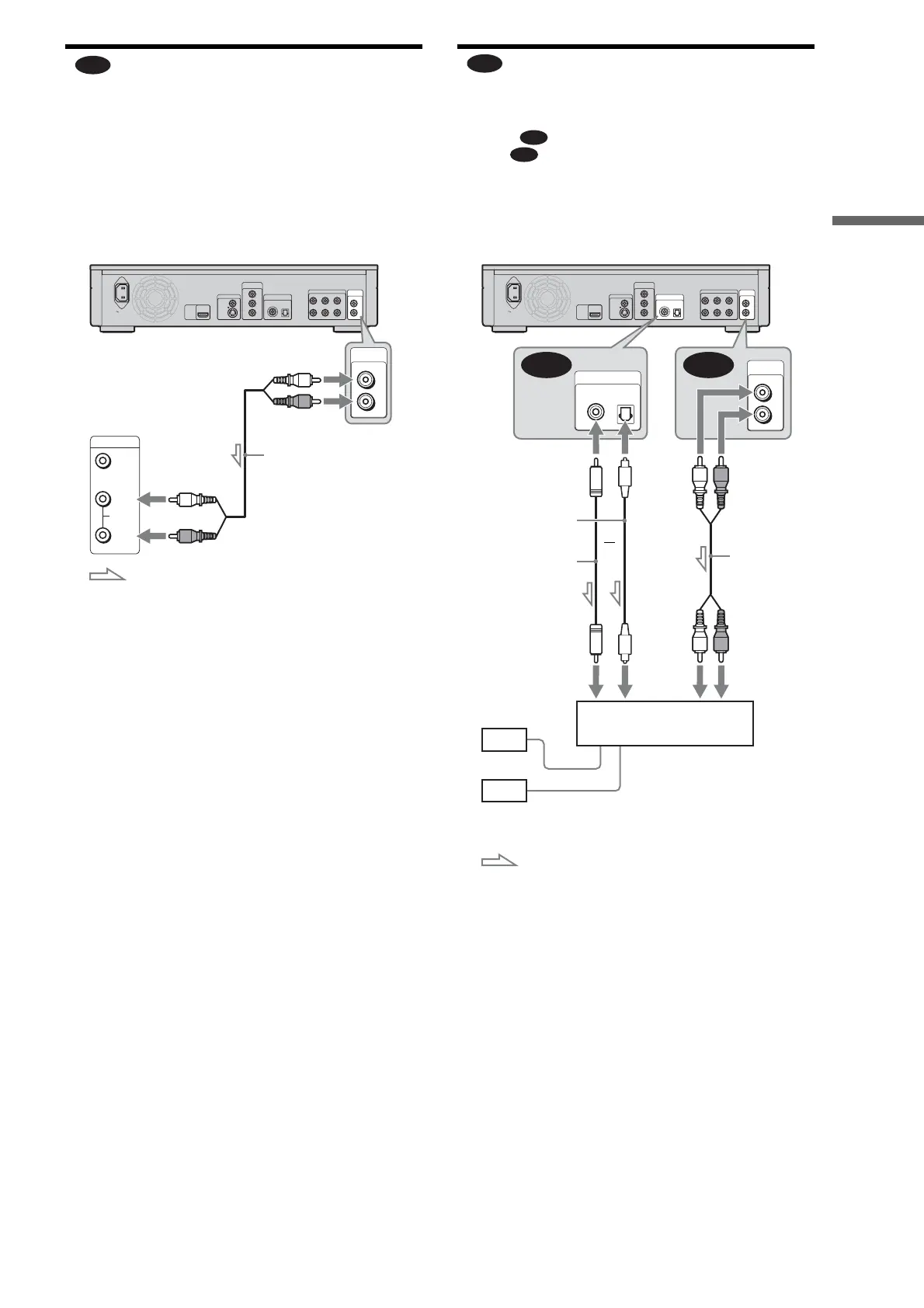
Connecting to your TV
This connection will use your TV’s speakers for sound.
Connecting to a stereo amplifier
(receiver) and 2 speakers
If your stereo amplifier (receiver) only has audio input jacks L
and R, use . If your amplifier (receiver) has a digital input
jack, use .
AC IN
VIDEO OUT
COMPONENT
VIDEO OUT
DIGITAL OUT
PCM/DTS/DOLBY DIGITAL
5.1CH OUTPUT
AUDI O
OUT
VIDEO
Y
L
R
L
R
WOOFER
COAXIAL OPTICAL
FRONT REAR CENTER
P
B
/C
B
P
R
/C
R
S VIDEO
HDMI
OUT
AUDIO
INPUT
L
R
VIDEO
AUDIO
OUT
L
R
to AUDIO OUT L/R
TV
(white)
(red)
(white)
(red)
Stereo audio cord
(supplied)
: Signal flow
Blu-ray Disc player
A
AC IN
VIDEO OUT
COMPONENT
VIDEO OUT
DIGITAL OUT
PCM/DTS/DOLBY DIGITAL
5.1CH OUTPUT
AUDI O
OUT
VIDEO
Y
L
R
L
R
WOOFER
COAXIAL OPTICAL
FRONT REAR CENTER
P
B
/C
B
P
R
/C
R
S VIDEO
HDMI
OUT
B-2 B-1
AUDIO
OUT
L
R
DIGITAL OUT
PCM/DTS/DOLBY DIGITAL
COAXIAL OPTICAL
Optical digital cord
(not supplied)
to DIGITAL OUT
(COAXIAL or OPTICAL)
or
(red)(white)
Stereo audio
cord (supplied)
to audio input
Stereo amplifier (receiver)
[Speakers]
Front (L)
Front (R)
to coaxial or optical
digital input
Coaxial digital cord
(not supplied)
: Signal flow
Blu-ray Disc player
to AUDIO OUT
L/R
(white) (red)
B
B-1
B-2
,continued

Table of Contents

Related product manuals