EasyManua.ls Logo

Sony BVT-2000 - Page 43

Sony BVT-2000
49 pages
Print Icon
To Next Page IconTo Next Page
To Next Page IconTo Next Page
To Previous Page IconTo Previous Page
To Previous Page IconTo Previous Page
Loading...
,
I
I
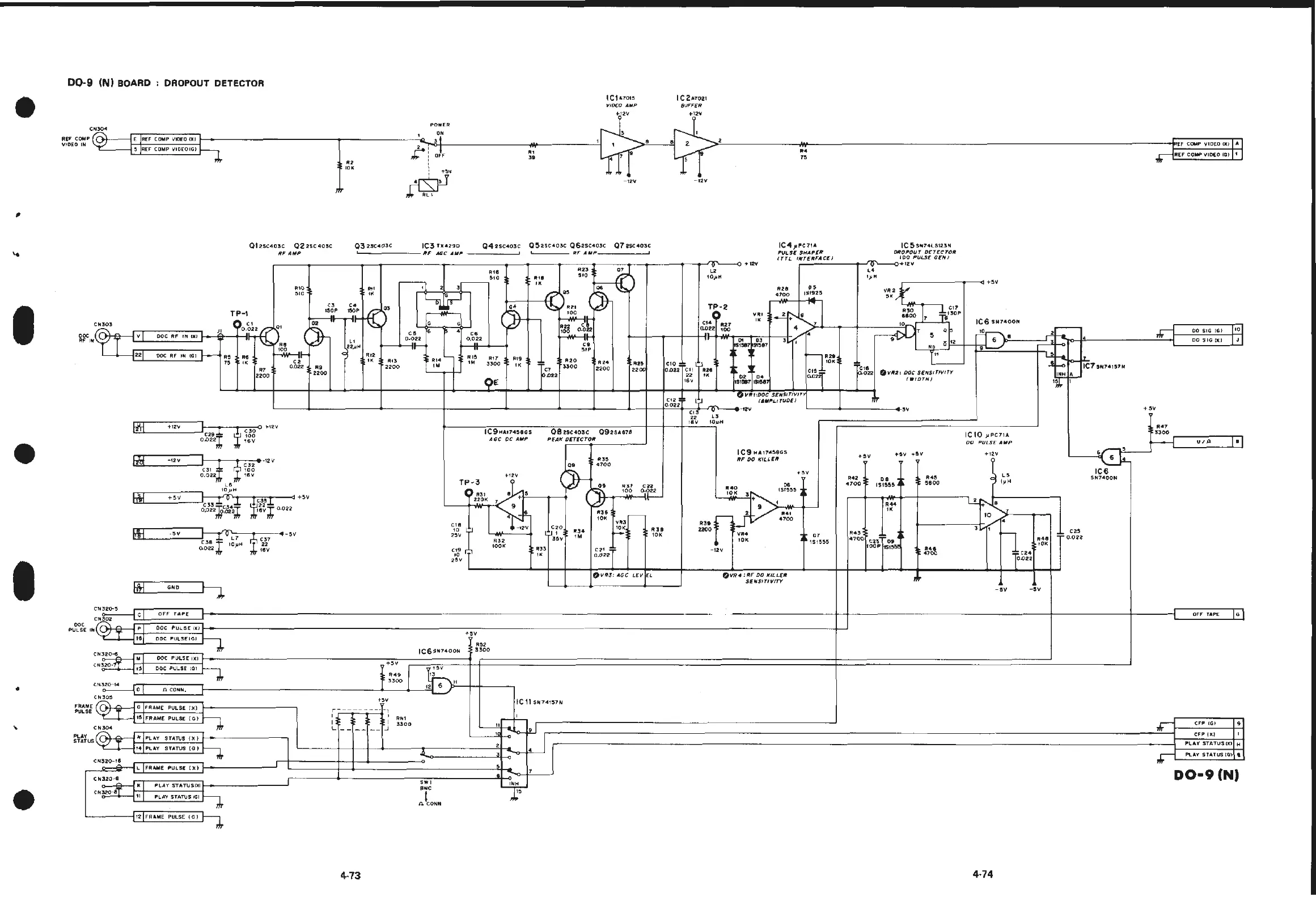
D0
-9 (N)
BOARD
DROPOUT
DETECTOR
CN30"'
POWE A
ON
I
C1
&10,.
VJDCO
AMP
Rf'
COMP
VtOEO
IN
L'~---,E
R(f
COM,Vl()(OCXJ.i-
~-
-------------r-------
--
-"::"1
-,..
6.!----------
-N/o
-------.!.J
L------1.
..
COMP V•O
COOG
) R2
~
!,
orr
CM!i03
i~1N
\.__,I>"":c:lc--,_1._v..._
l_o_o_
c_•_•_•_•_••_•
_.
JI
TP-1
Qh
sc•o•c
Q22Se<
o
3C
R'
Altll'
C
-)
Cl
0
~
~22
1?
01
..
\b!
••
100
00C
ttf
IN
CG
I
J---
A'
Rtl
'' :
'"
lt7
:
2200
I
OK
Q3
2SC<03C
"'
ll
-12V
IC3
n•2•0
Q4
zsc•o>c
05
2se<03C
062Se<03C
Q7zsc•03C
'-------
ltF
MC
AMI'
--------'
'------
llF
AMP-----~
r-;i
2
.r--
~r
G
L
.
(6
0.0
_
~2
"
At4
:t
ftl$
tM
1M
..
•••
SoO
:
R20
)300
c•
...
•••
2200
IC
2uo21
BiJrrtR
CIO
ODl2
Ci t
22
1&v
-
12v
...
·~
02
04
~
51!197
......
,
...
1•
IC
4
,,c11•
,.ULSC
SHA,Elfl
/TTL
1#1£RFAC
EJ
0
V"t:DOC
SEN$1Trv1n
t
Atl~
LI
TCJDt J
IC 5
S•7•lSl23N
ORO,OUT
DET£t:TOll
ff
tOMft
VIOf.0
00
A
"CF
COW
V
IDCO
t(j)
1
100
l'ULSC
G£N
J
·
\,-
----u+12V
c
'"'"
~------.....-
-
...
"
.,.,
...
v:.2
,t
4---~
RSO
l L C17
1100
7 Te'soP
to
IC 6
SN7•00N
l
-
10
Q
~0
r---1
00
SIG I
GI
~
~
--
,,,
11-
------i-;
g
~
12
,b=
----~..J
-o°'?o-.J!.--------::!...-1
DO
SIG
!XI J
L_-'l:•~·,-".'..f''-t"-iJ•[!:::::-:!....
___
...[:
~------~-
t___ 1-l
....,.
>o-
lL
: :
.i~
8
22
O
v•.1
1 DOC
SCNSITIVITY
I
WIDTHI
..!
_.,
IC7swu,,7•
1
ft-
C12:
=
0.022
Ctl
22
!IV
'-- ---'
>-----
-
-o-
-5v
+sv
"'Fffi"""
___
+ _2_v __
J-I
c_2_9_
l...-
-
lo-
c-l-O-oo
""
o.022
;J;
~
,,~e
"™=----
•-2_v
__
_.I
I T
cu
-12v
C3
1 Cl
100
0.022
~
'J;.
''y
l &
IO)IH
ufl\l...._
___
+_!_
v
~~-
~~10,_--1-~-)!-:ro--~-d~+!Y
O,OZ2
;ii
-022
J;
~IV*
0.022
l1'fi
·•
v
i--l'lf'--T--...,.
-sv
"-~
---
----1
__
..L
- L 7
r.1
Cl7
c3s
T 10>'... ·r
22
0.02:2
,,,
..
tlV
IC9H&17<S9GS
ACC
OC
Alli,.
TP-3
()
"''
22:0K
+t2V
A32
100•
tA>l
,.
Q8
2SC<03C
Q92S&678
Pf'AK
DCT'CCTOlf
c
20
~I
3SY
...
IM
01
=
~
0.022
R~?
C2
2
100
0.022
..
..
RJI
!OK
IC9
H&174S9GS
RF
DO
KILLEll
1140
!OK
2
9
2200
A31tr
••
10•
...
47
00
-t2Y
c~~20-s
1
I
CN~C
.
OFF
TAP[
ti~•~--
----------~------------
~---
---
----
-
--
--
--
~
---------~
-
--·
-
P
v't°iE
,~
,_P+-l_o
_o
_c_P_
u_L_s
_
<_•_x__,•
t--
.......
------~~~----------
~----------~------
-------
--------
--------------------1--.J
tel
DOC llt
UlS[IGJ
•,:IV
•s2
IC6
SN7400N
3300
A44
••
RO
: :
HOO
C2
3 01t H
tOOP
1S1SS!
t
....
4700
IC
IO
~ PC11&
OQ
PULS£
Al/IP
R4e
i
!OK
! :
C2
4
0Jl22
-
5V
-
5V
6
IC6
SH1400N
Cf\1320-6
CN320·
WI
OOC
PULSCIXI
t-~
---
--
-
--
-
----
----------------4
•>I
DOCPULSC 101
r:~~
lr---::ci;""ov
:-
--
t-+----~~---------------
---
·
-
----------------t------~---------
----
--
----------~--'
f
oo,r-1
--Aii<
c~o
;.;w.:--1-----------~------
--
~-T1-
__
l__~,,~
2~
t
~"-~....j...
___
_
Cf\130,
,RAM[
-
PULSE
....,.
0 l
•1tAM£
PUlSE
IXI
t!
I
FUME
PULSE
{GI
IC
ti
S"7•tS7N
r--
-----
--
-
-,
I >
_..!.._
..
,
~33 00
f------1
.---
u-,-
o---r-,,
C
N304
Mtus
r..l.~
-"'---
--'
1
•l•
L•V
surus
rx1
~~
-
-------]
t4
I ,_,LA'f' STATUS
(G.
I:
~
I
•••
3300
9
L------.J
t..
U 1 _
l!J
r
"'"
IG~
'------ii---t
-
t---'>-----x-----
-
~=====:~~
2
.~:
......
~~L':L_
Jlr--f
_-_-:_-_-_-_-_-:_-_-_-_-_-_-_-_-_-_-_-_-_-_-_-_-_-
_
-_
-_-_-_-_-_-_-_-_-_-_-_-_-_-_-_-_-_-_-_-_-_-_-_-_-_-_-_-_-_-_-_-_-_-_-_-_-_-_-_-_-_-:_-_-_-_-_-_-_-_-_-_-_-_-_
-_-_
-_
-
_-_-_-_-_-_-_-_-_-_-
_
-_
-_-_
-_
-_-_
-
_-_
-_
-_-_-_-_-_-_-_-_-_-_-_-_-_-_-_-_-_-_-_-_-_-_-_-_-_-:_-_-_-_-_-_-_-_-
~·-
--~-~_-_..r
~
---~';L~:~;~:~~~:~~~us~c~x~>~~~
CN320-fl
~L
IFR&Mf
..
ULS(
{
X)
t---------'
I
CM:S20
·8
C~320-8
I •LAY
SUTUSOO
~-
---------'
1
11
I
f'LAY
STATUS
IGI
~-----;
12
I
FA
AME
PUlSE
I
a)
4-73
_A
" r
.....
&Y
STATUS !GI I
1
D0•9
(N)
SWJ
8N
C
.n.
'
CO
NN
INH
,,
4.74

Related product manuals