EasyManua.ls Logo

Sony BVT-2000 - 4-75. PW-42 (N) BOARD: POWER SUPPLY

Sony BVT-2000
49 pages
Print Icon
To Next Page IconTo Next Page
To Next Page IconTo Next Page
To Previous Page IconTo Previous Page
To Previous Page IconTo Previous Page
Loading...
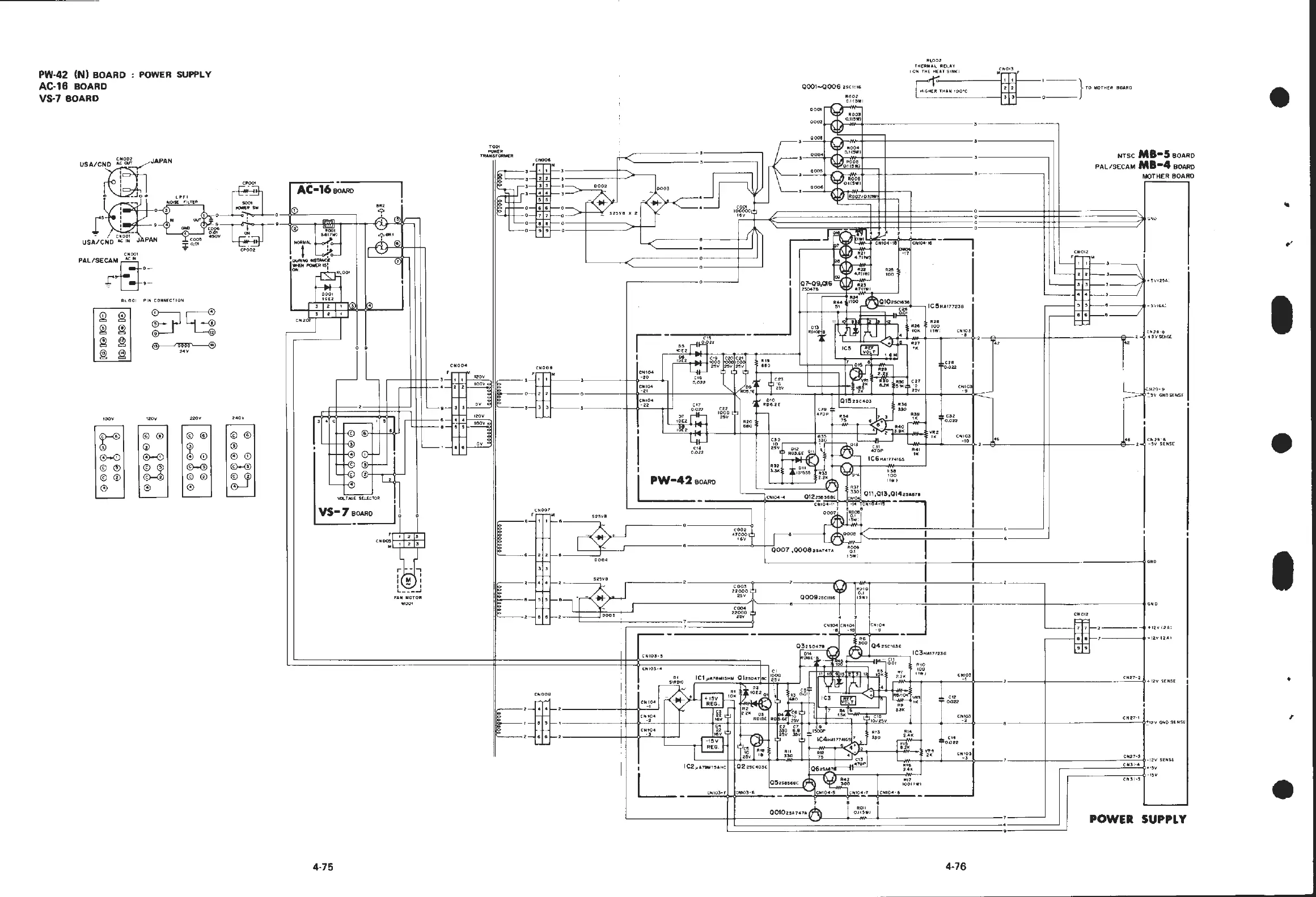
PW-42 (N)
BOARD
AC-18
BOARD
VS
·7
BOARD
POWER SUPPLY
'"002
JAPAN
USA/CN~D
"'~-/
' '
'
I
I
on
I
_J
o•
C:
~001
""~
PAL/SECA~~
o-
f~•-
A:LOOI
P ifrj
CONNECtl<lN
~
@
E?~
.@
~
@
@
~
lJ
2'1'V
@
~
1
00
>/
12
o v
2'0<
© ©
© ©
G)
%
0
©---0
~
©-@
' 2
© ©
~ 0
>60•
4-75
F&lilj U
OTO
ll
1111
001
Ctr.10041
c:
E:
1,
;N
007
'
~
1'
l '
coe
0..0.22
PW-42
BoARO
C NI
O
:ll·~
C
NI
Ol·
<I
c002
-47
000
.. ,
Rl
OO.Z
f~(A
IU
I.,
A(l,AY
1
O
trrj
TH[
'1f"AT
S•
Nt()
0001-0006
"""
6
llOQZ
<J,l(S
'lll'I
IL
-4--
--,.,,.--
C>Z
O.Ol?
I
C3"4A11'2JG
C~IO
..
CN'IO!
_,
..
'
---
} TO
~
O•~fO
BOAffO
0
--
NTSC
MB-5
BOARD
MB•4so
ARD
PAL/SECAM
BOARD
MOTfiER
L
__
_
.:
....
l'l·!ji
-:~v
GND
Sf'NSf
..
-----
-
-,
GND
CN
:t7-
2 +
12
v 1
EIU
E
CM27·~
:!
O"\'
<;N
O S
iN
Sf
-
--+-
- -
--
-
"""
:
f:
======~t
=t
~~~~
~
=~
~HHRt~~~1~~ttr~:
~
:t~~l
~~·:::
[)~t
-~ ~~
_1
1
~
...
::~.,~
.J
~"-
:o'
_,,~
·
-·.~.~'"
"
,.g,_~.
J~
-~
~-
~
-
----!---
~~~~~~~~~~~~~~,~
.:
·!!::;;
:!::1-
::
il
::::
.....
LL=-~c.41:
10
~>-r
tk
:>O
==·
.;..;.__
·
·
·
~~~~~
·~~~·~,w·
~~
:Jjl_
"'
OD22
POWER SUPPLY
4-76
I
I
,

Related product manuals