EasyManua.ls Logo

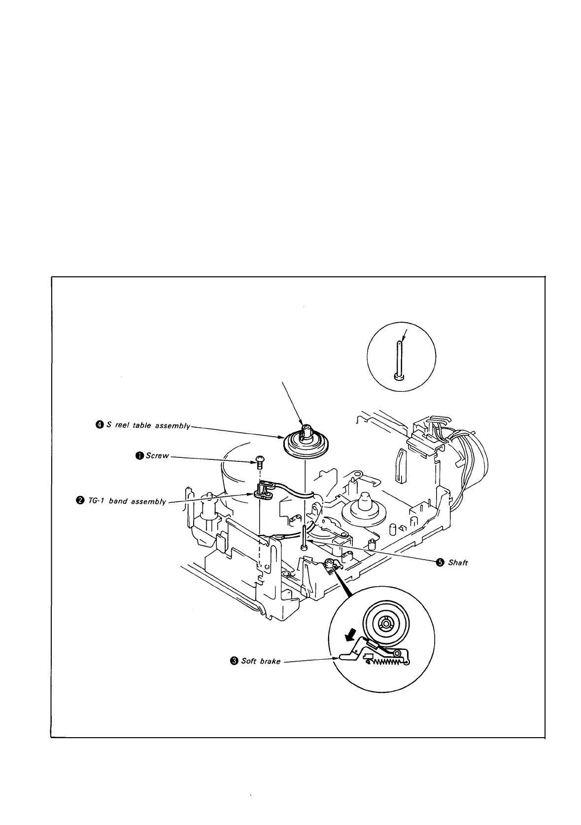
Sony CCD-M8U - S Reel Table Assembly Procedures

Sony CCD-M8U
166 pages
Print Icon
To Next Page IconTo Next Page
To Next Page IconTo Next Page
To Previous Page IconTo Previous Page
To Previous Page IconTo Previous Page
Loading...
    


         




 

  0.  

5)

     
 

  0. 

         
* 
 


  

 

  0 

  

 






  

 8
 2- 14
-
37
-

Table of Contents

Other manuals for Sony CCD-M8U

Related product manuals