EasyManua.ls Logo

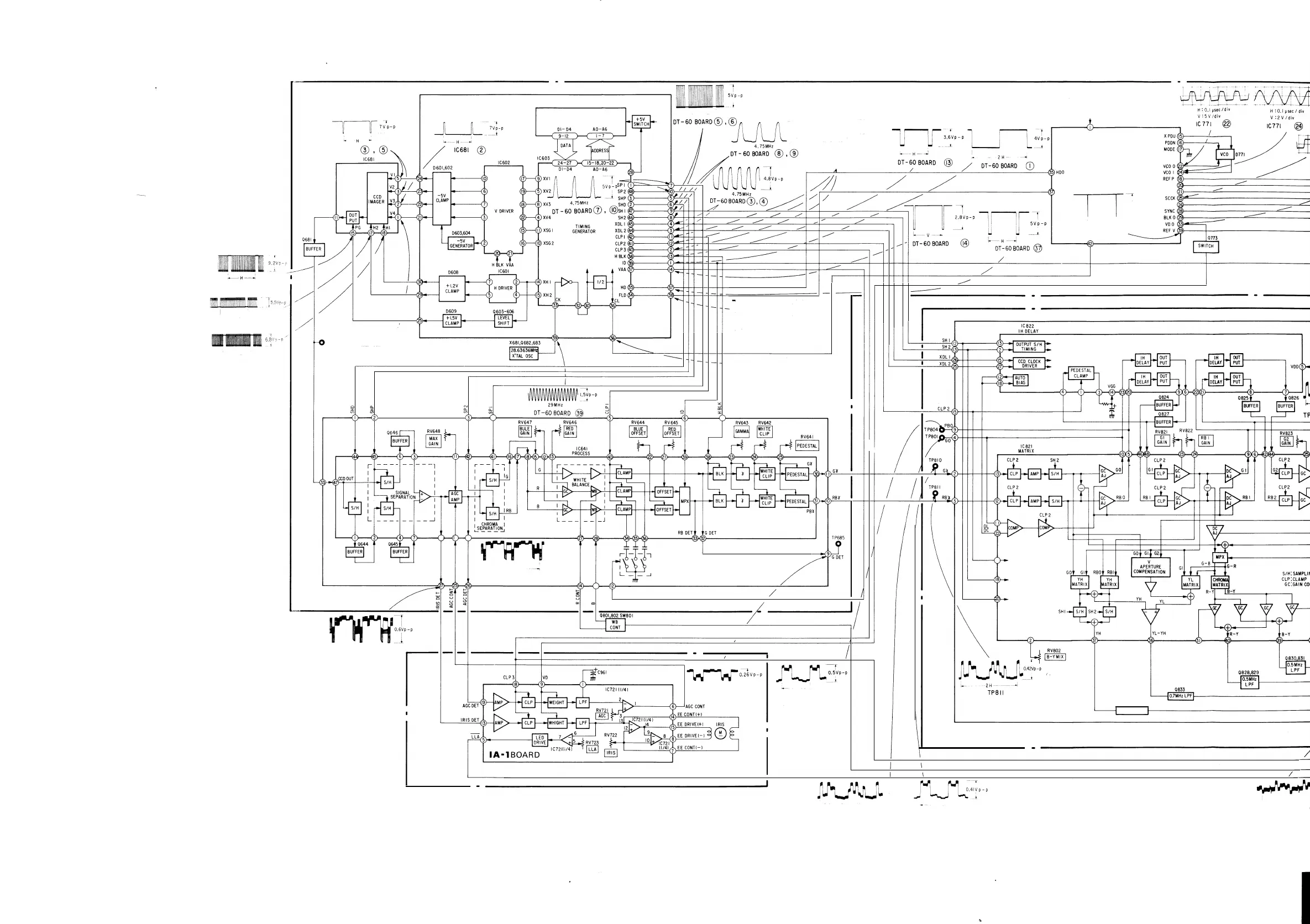
Sony CCD-M8U - Camera Block Diagram

Sony CCD-M8U
166 pages
Print Icon
To Next Page IconTo Next Page
To Next Page IconTo Next Page
To Previous Page IconTo Previous Page
To Previous Page IconTo Previous Page
Loading...
3-3.  
 



 



 
  














 



 








 


















  

 
 




  
  



�],_,






 











 














 







;













 

 






 























 














I

Table of Contents

Other manuals for Sony CCD-M8U

Related product manuals