EasyManua.ls Logo

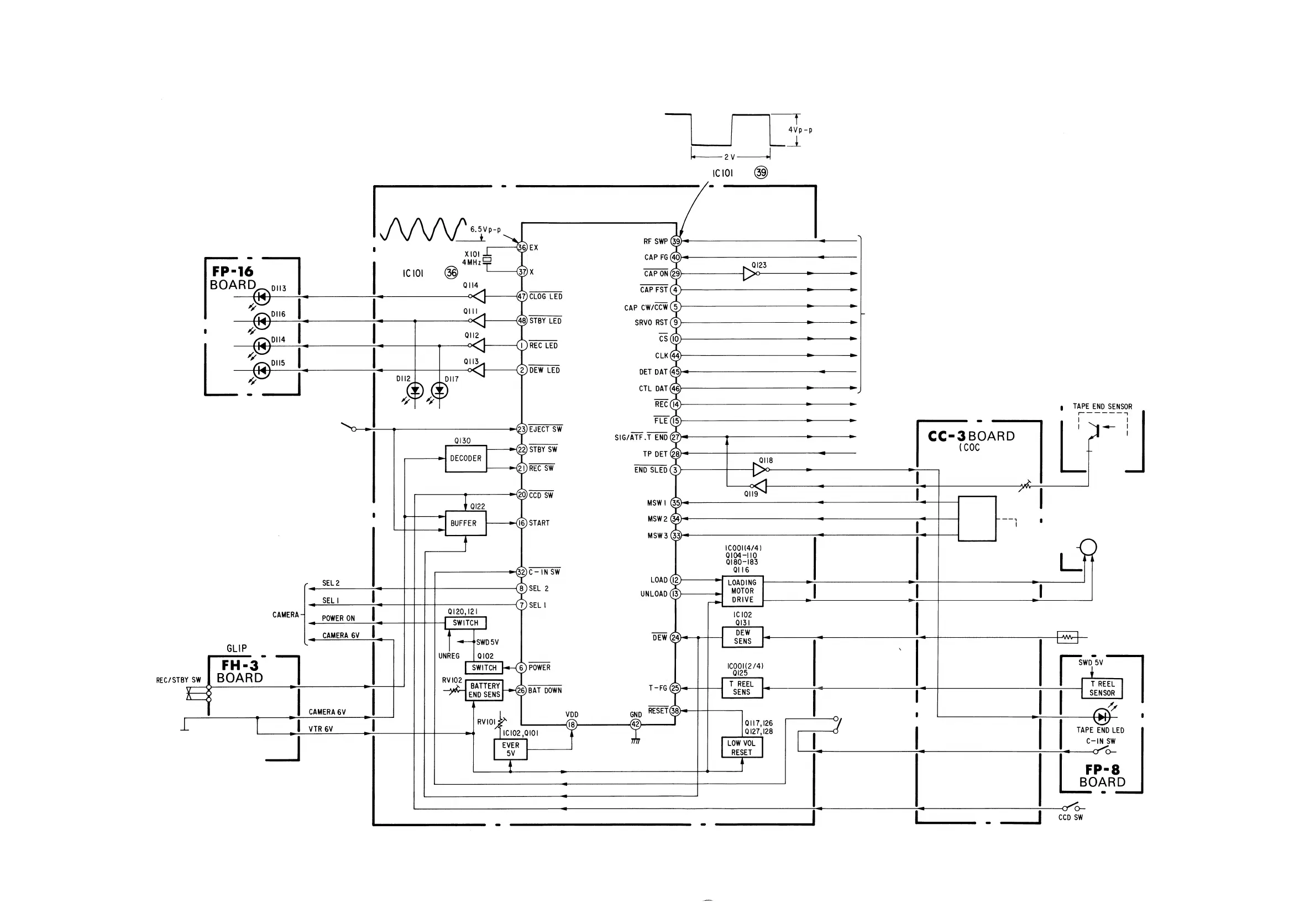
Sony CCD-M8U - System Control Block Diagram

Sony CCD-M8U
166 pages
Print Icon
To Next Page IconTo Next Page
To Next Page IconTo Next Page
To Previous Page IconTo Previous Page
To Previous Page IconTo Previous Page
Loading...

 
 



L

'
H









3



















 I

 





I

  

I
.
r


 



I
:


I
j

I




 


I

I
t
o





L 


I



-
4
0
-

Table of Contents

Other manuals for Sony CCD-M8U

Related product manuals