EasyManua.ls Logo

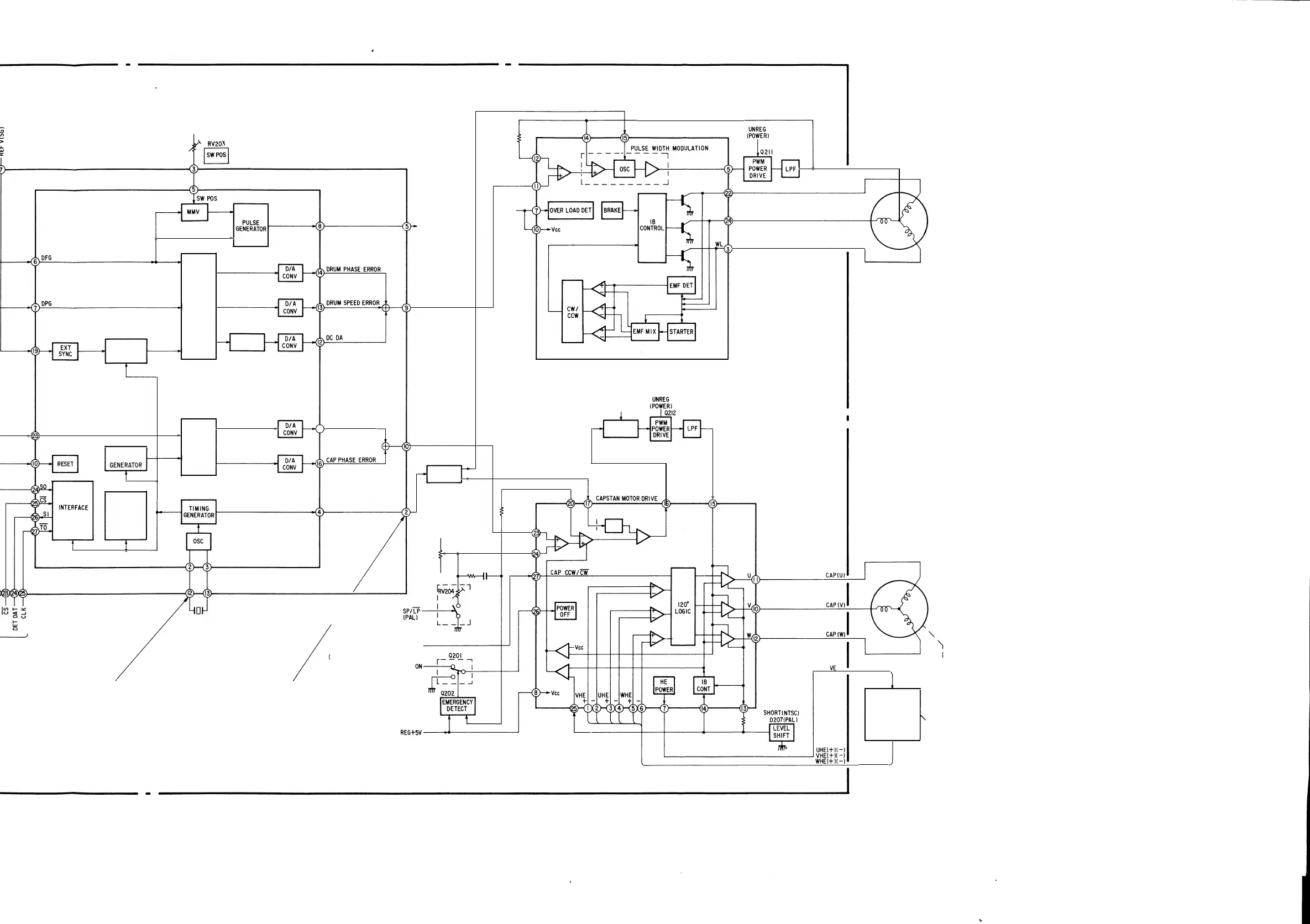
Sony CCD-M8U - Servo Block Diagram (Continued)

Sony CCD-M8U
166 pages
Print Icon
To Next Page IconTo Next Page
To Next Page IconTo Next Page
To Previous Page IconTo Previous Page
To Previous Page IconTo Previous Page
Loading...
\


  


 




















 



 

















I
 



 

I



{




�·
p
-
p

 
 

  












,

 







J


I
J



MOTOR












Table of Contents

Other manuals for Sony CCD-M8U

Related product manuals