EasyManua.ls Logo

Sony CCD-M8U - Servo Block Diagram

Sony CCD-M8U
166 pages
Print Icon
To Next Page IconTo Next Page
To Next Page IconTo Next Page
To Previous Page IconTo Previous Page
To Previous Page IconTo Previous Page
Loading...
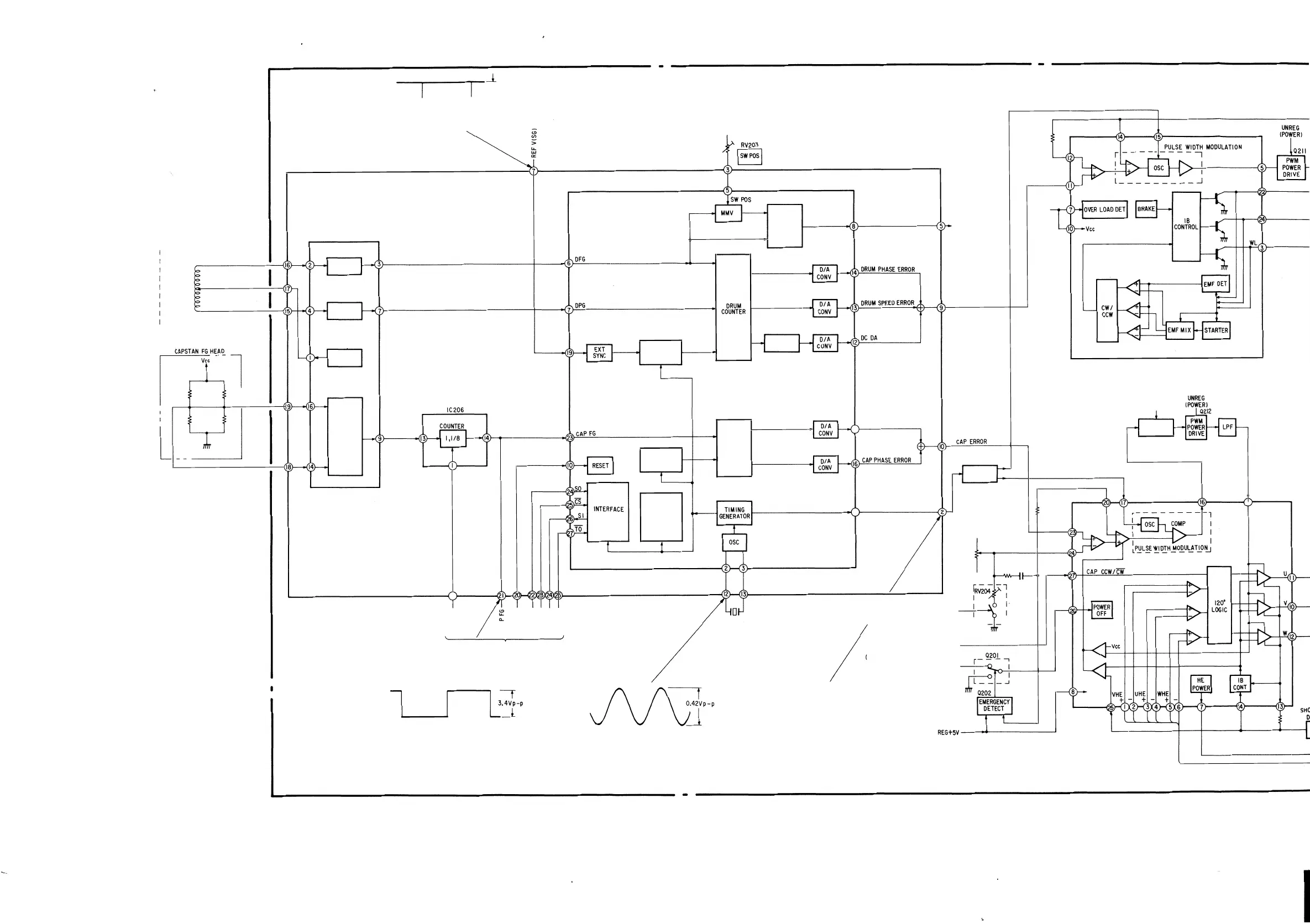
3-5. SERVO BLOCK DIAG RAM



 



 


  






  











-3
6
-







BOARD 










  

 
SV -16  









   


















BOARD 


 


 


 

 





 



r�;1
  

I
 


 
 


 
BOARD 




-3
7
-




 




 



I

Table of Contents

Other manuals for Sony CCD-M8U

Related product manuals