EasyManua.ls Logo

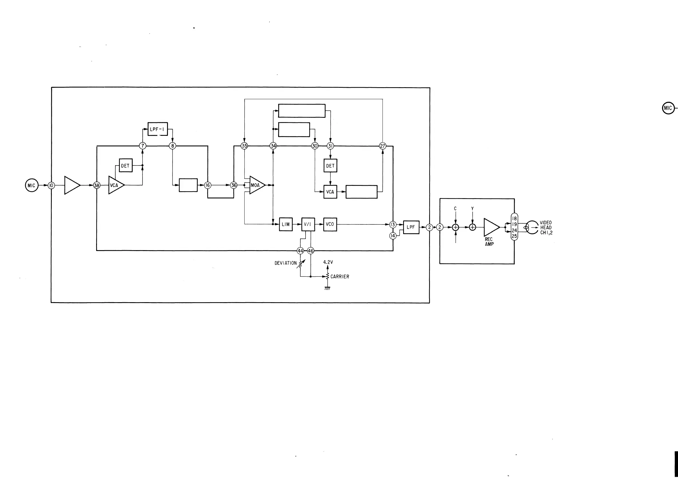
Sony CCD-M8U - Audio Block Diagram

Sony CCD-M8U
166 pages
Print Icon
To Next Page IconTo Next Page
To Next Page IconTo Next Page
To Previous Page IconTo Previous Page
To Previous Page IconTo Previous Page
Loading...
   


 
2

  
 

27

 
c y



 









I

Table of Contents

Other manuals for Sony CCD-M8U

Related product manuals