EasyManua.ls Logo

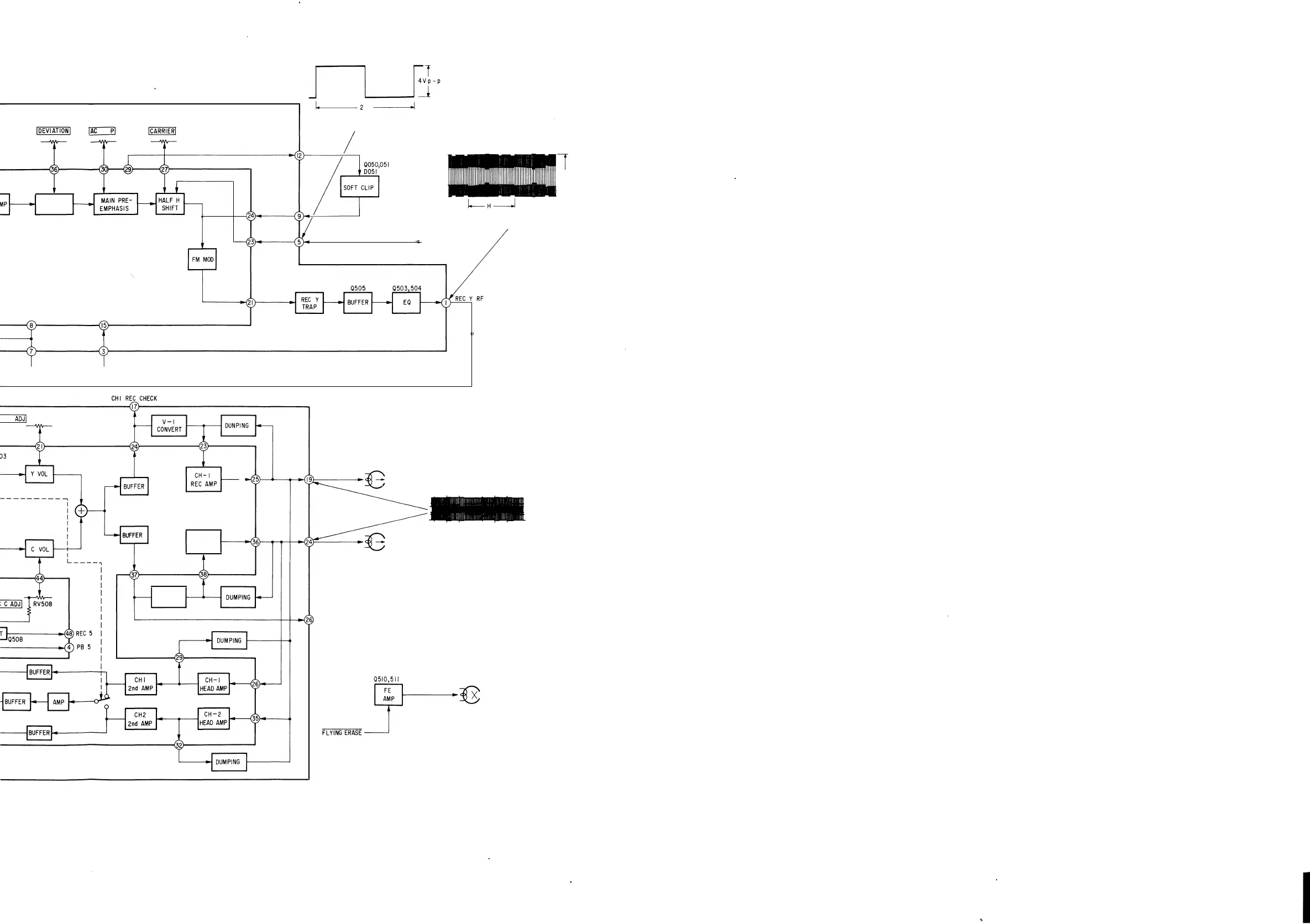
Sony CCD-M8U - Video Block Diagram (Continued)

Sony CCD-M8U
166 pages
Print Icon
To Next Page IconTo Next Page
To Next Page IconTo Next Page
To Previous Page IconTo Previous Page
To Previous Page IconTo Previous Page
Loading...


 






 

J





 
  

m
"
'


 




  











  
  








 















  

g



  
3
4
1

l
I

Table of Contents

Other manuals for Sony CCD-M8U

Related product manuals