EasyManua.ls Logo

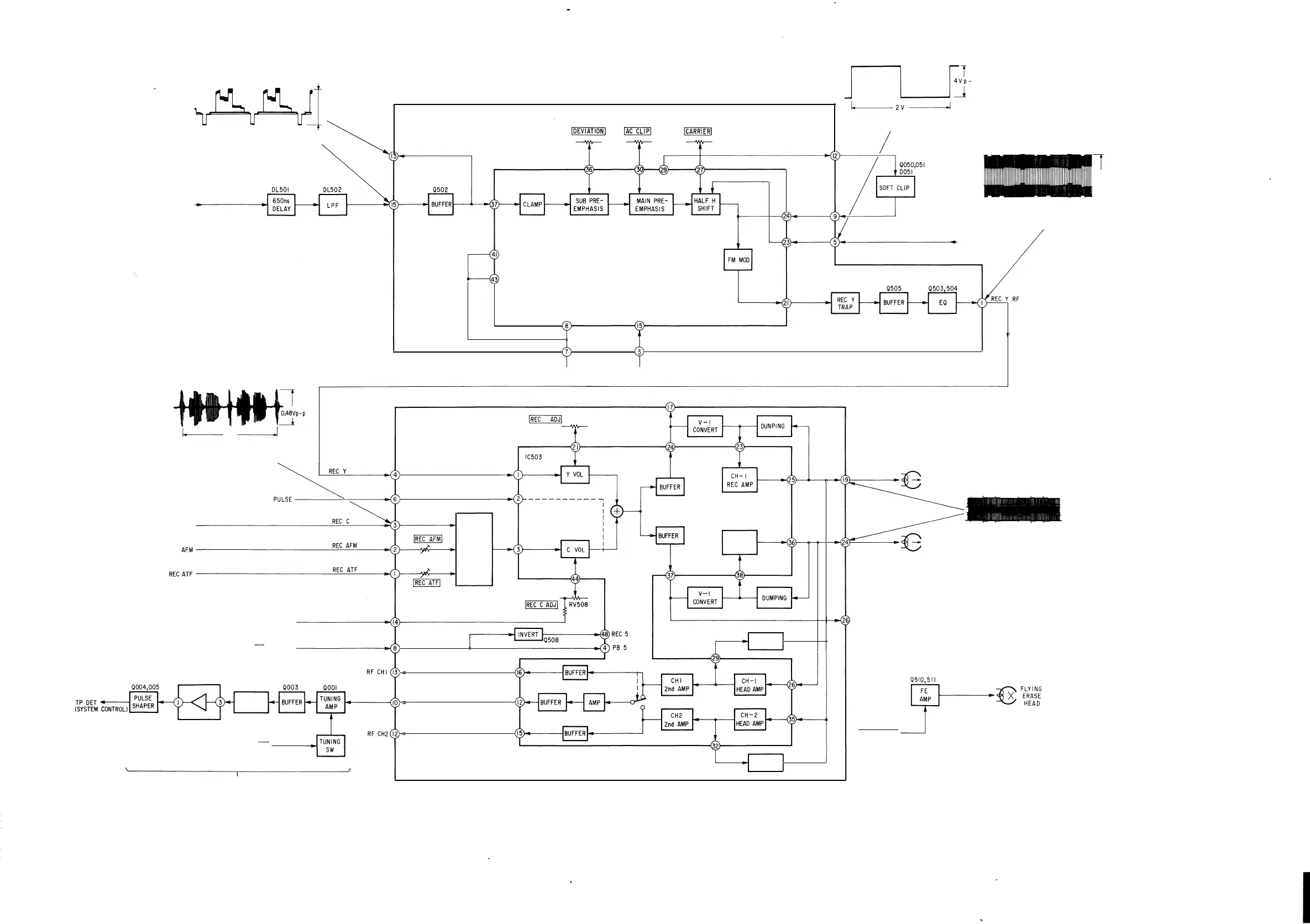
Sony CCD-M8U - Video Block Diagram

Sony CCD-M8U
166 pages
Print Icon
To Next Page IconTo Next Page
To Next Page IconTo Next Page
To Previous Page IconTo Previous Page
To Previous Page IconTo Previous Page
Loading...

  
�j

 
 

  
 





 



 




  






/







  

  




  

 








  









__


  






  
  





 
















 








 









 



 
 
-33-









-3
4
-

 





 








  




 

1

l
I

Table of Contents

Other manuals for Sony CCD-M8U

Related product manuals