EasyManua.ls Logo

Sony CCD-M8U - IA-1 Iris AGC Schematic Diagram

Sony CCD-M8U
166 pages
Print Icon
To Next Page IconTo Next Page
To Next Page IconTo Next Page
To Previous Page IconTo Previous Page
To Previous Page IconTo Previous Page
Loading...

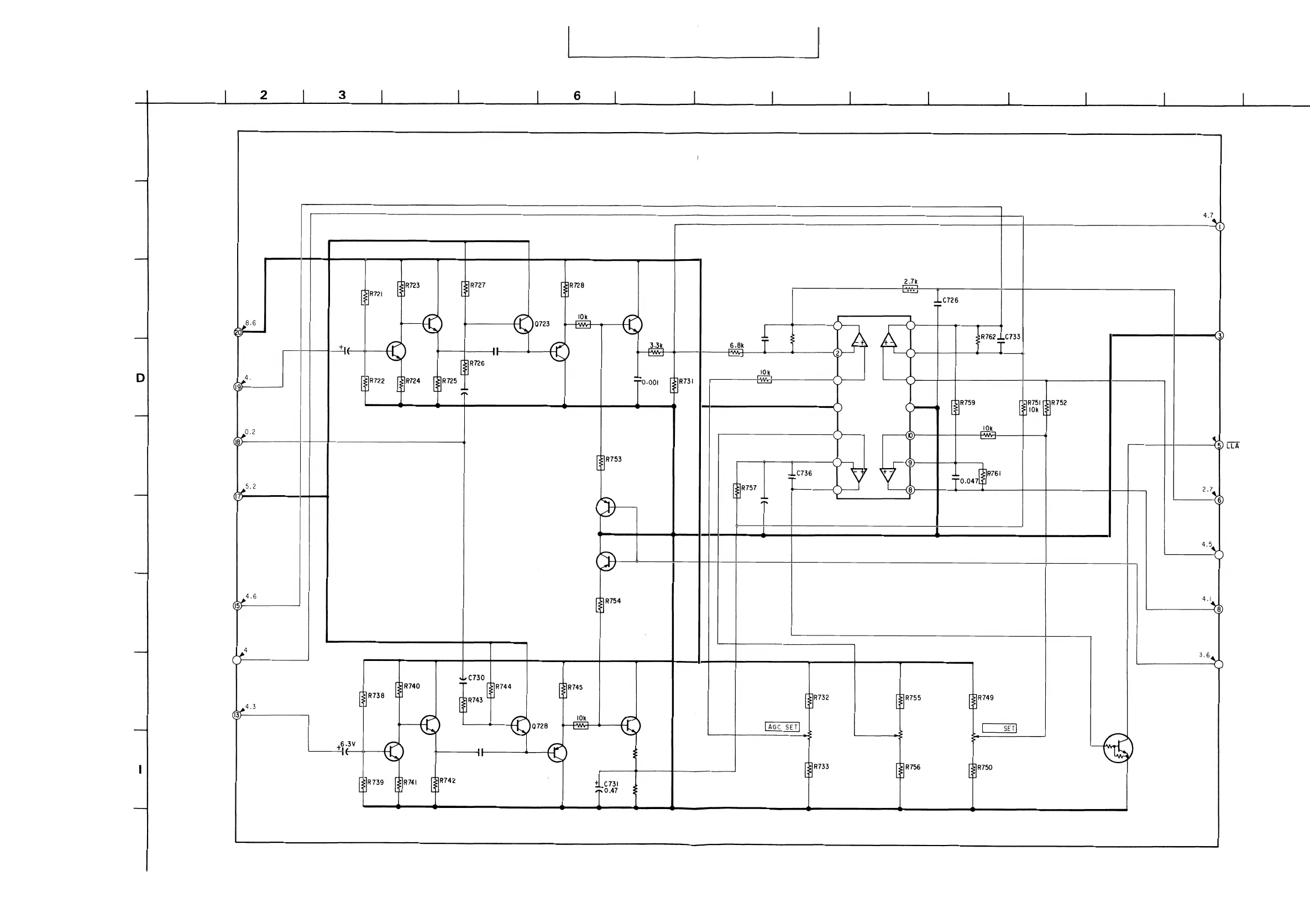
IA-1 (IRIS DETECTION AGC CONTROL)
SCHEM
ATIC
DIAG R
AM








BOARD

 

 



 



 


















 



















+
1

































 
























 









 




 






 






































































 
 














 









 




























t




















 

























 


 



 















 







Table of Contents

Other manuals for Sony CCD-M8U

Related product manuals