EasyManua.ls Logo

Sony CCD-M8U - Page 78

Sony CCD-M8U
166 pages
Print Icon
To Next Page IconTo Next Page
To Next Page IconTo Next Page
To Previous Page IconTo Previous Page
To Previous Page IconTo Previous Page
Loading...
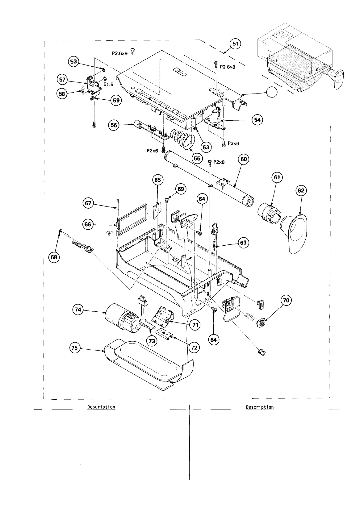
5-2.
ASSEMBLY







  

 


   
 

     


   


  


 


  


     

   


   


 

    


  

 


52

®


   
   
  
     
  

   
  

    
  
 
   
  
l


Table of Contents

Other manuals for Sony CCD-M8U

Related product manuals