EasyManua.ls Logo

Sony CCD-M8U - Page 81

Sony CCD-M8U
166 pages
Print Icon
To Next Page IconTo Next Page
To Next Page IconTo Next Page
To Previous Page IconTo Previous Page
To Previous Page IconTo Previous Page
Loading...
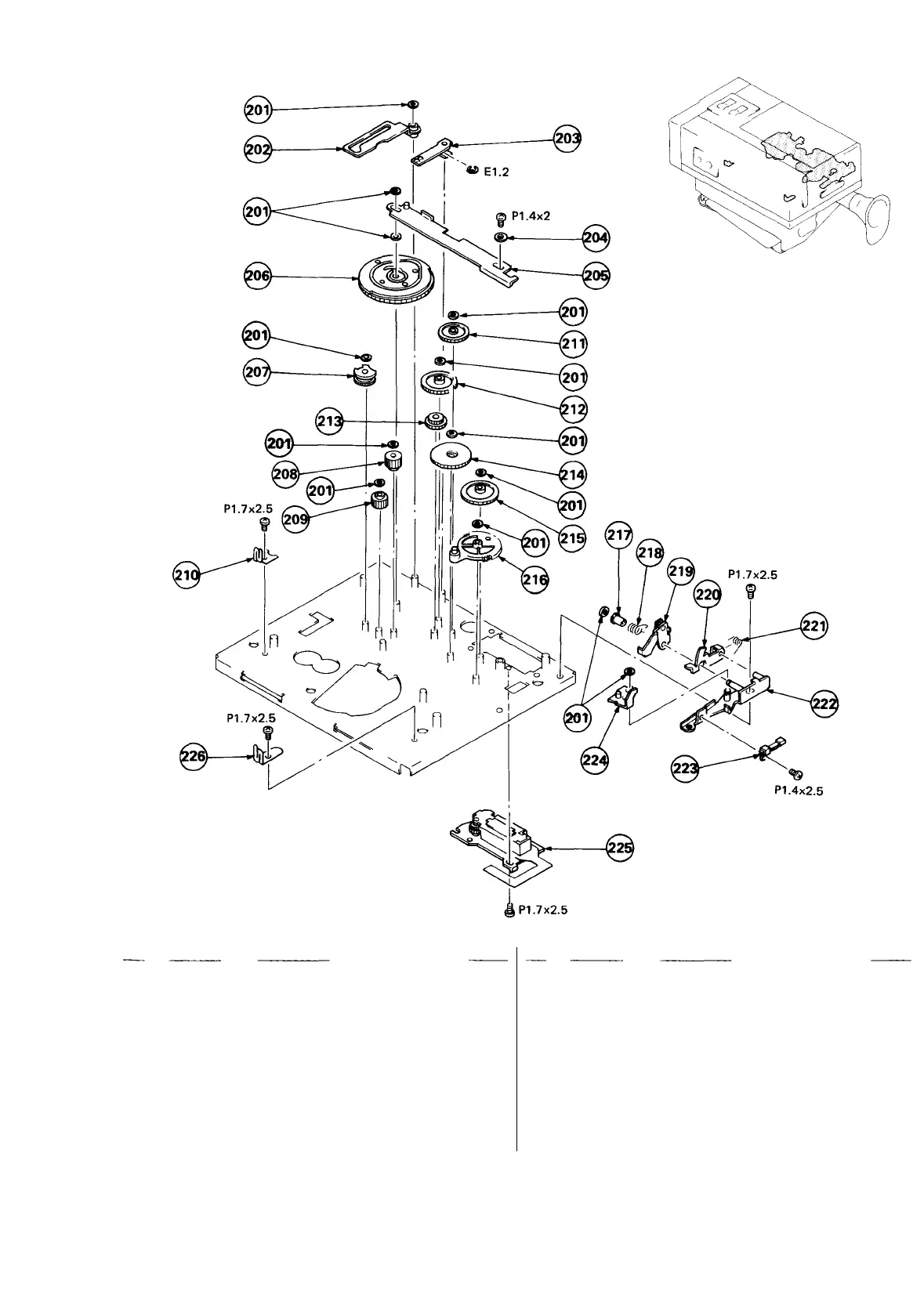
5-5. CHASSIS ASSEMBLY (1)



 
 




 


  


    

 
    


   


   


   


   


    


  


 


   



   


  


   


  


   


      


 


    



   


     


   


 


   


  



Table of Contents

Other manuals for Sony CCD-M8U

Related product manuals