EasyManua.ls Logo

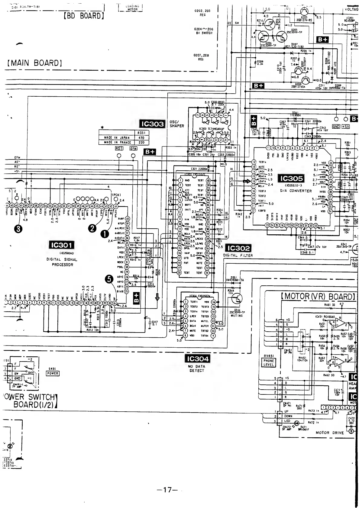
Sony CDP-791 - IC BLOCK DIAGRAMS; Key Integrated Circuit Diagrams

Sony CDP-791
35 pages
Print Icon
To Next Page IconTo Next Page
To Next Page IconTo Next Page
To Previous Page IconTo Previous Page
To Previous Page IconTo Previous Page
Loading...
SlOl
ft
04. 7 M-
T IB
I
[BD BOARD]
~7~
loading
I
MOTOR
[MAIN
BOARD]

Related product manuals