EasyManua.ls Logo

Sony CDP-791 - Page 20

Sony CDP-791
35 pages
Print Icon
To Next Page IconTo Next Page
To Next Page IconTo Next Page
To Previous Page IconTo Previous Page
To Previous Page IconTo Previous Page
Loading...
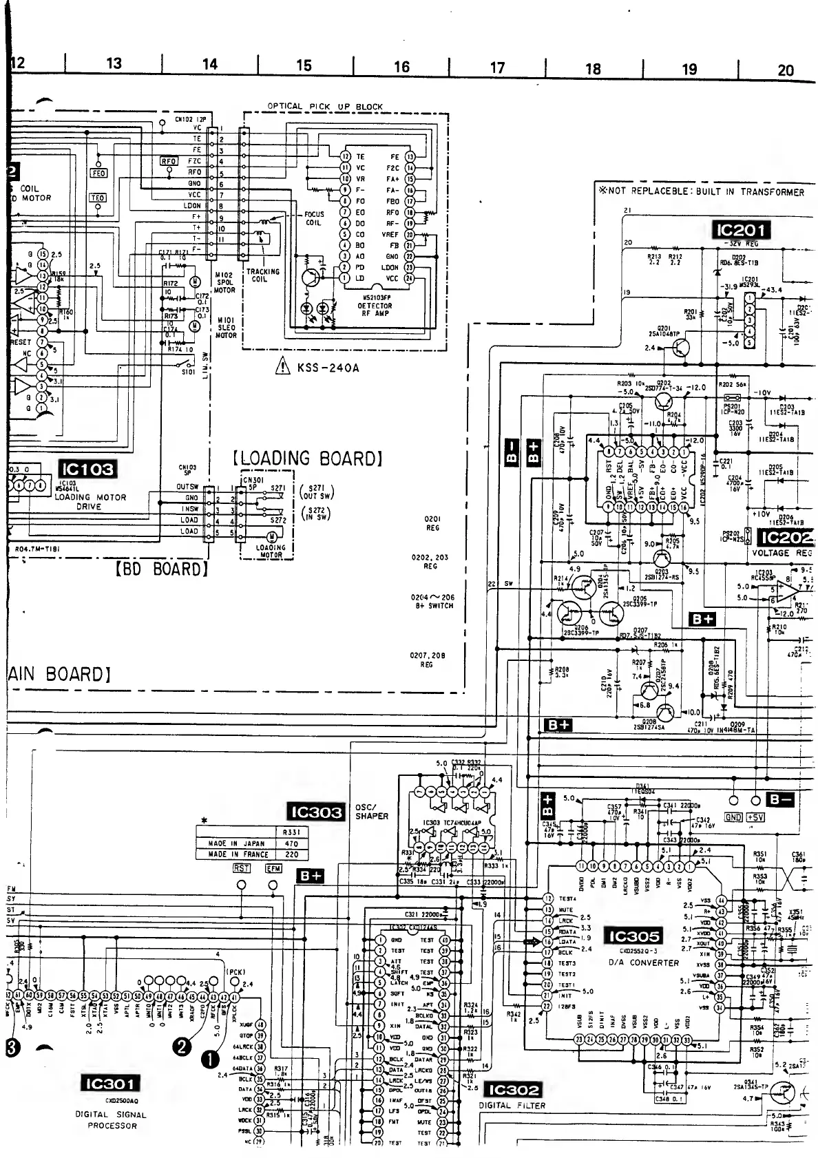
OPTICAL
PICK
UP
BLOCK
;
coil
D
MOTOR
3
(is)
(li)i
£>
(l3)
2.5Ti
(it
j
[Ti>
£|L^
(io\
-
Y
VC
yJ
TE
L.I
2
*
FE
3
iRFol
FZC
4
Y
RFO
5
QND
6
vcc
7
ICON
jj
8
~I±I
9
'
-
T+
10
T-
II
~Tl
FI Ft FI 71
F
~
,
\
TRACKING
COIL
M52103FP
DETECTOR
RF
AMP
*N0T
REPIACE8LE
: BUILT IN
TRANSFORMER
KSS-240A
mst
-32
V
REG
IC201
L
-r'
5
~-«3.4
~oL-T
>
is
^0
>^
T-3,;'2.0
-,0V
[LOADING
BOARD]
SB
1
LOADING
MOTOR
DRIVE
GND
2
2
1 NSW
°
3 3
u
LOAD
°
4 4
J
LOAD
°
c
5
5
o
-
CN30I
t
5P
S 27
1
1.3
^
-
11 .
0
-
cnuj^moaoaw
con i
u. uj
<_>
>
°
^
«V*
P
O
'
^
i£h
sis 5 S
Rft
Liar
C203 Z.
[ fci
3300
|+
*
16V
D204
IIES2-TA1B
[BD BOARD]
0202,
203
REG
0204
'
V/
206
B+
SWITCH
1C203 r*
9
*
5
RCA558P
g|
5
3-0*1
d+^7 J,
AIN
BOARD]

Related product manuals