EasyManua.ls Logo

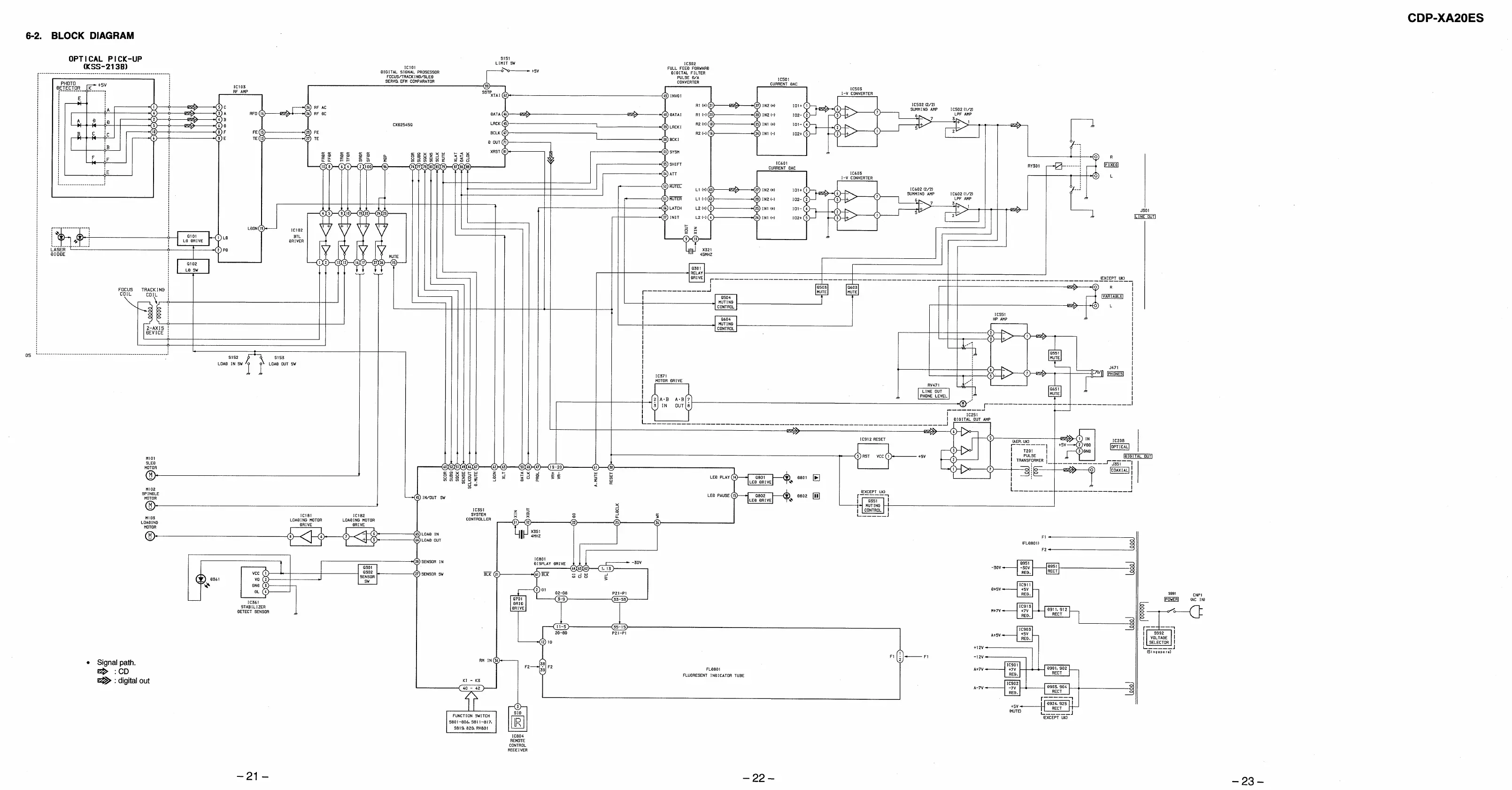
Sony CDP-XA20ES - System Block Diagram

Sony CDP-XA20ES
44 pages
Print Icon
To Next Page IconTo Next Page
To Next Page IconTo Next Page
To Previous Page IconTo Previous Page
To Previous Page IconTo Previous Page
Loading...

Related product manuals